| 功能及特点 : | ||||||||||||||||||||||||||||||||||||||||||||||||||||||||||||||||||||||||||||||||||||||||||||||||||||
| 高精度高分辨率,准确度0.5级,小读数达0.001N; | ||||||||||||||||||||||||||||||||||||||||||||||||||||||||||||||||||||||||||||||||||||||||||||||||||||
| 峰值保持功能。保持峰值显示直至手动清零; | ||||||||||||||||||||||||||||||||||||||||||||||||||||||||||||||||||||||||||||||||||||||||||||||||||||
| 峰值自动解除功能,保持显示峰值1至9秒后自动解除; | ||||||||||||||||||||||||||||||||||||||||||||||||||||||||||||||||||||||||||||||||||||||||||||||||||||
| N(牛顿)、kgf(公斤)、lbf(磅)三种单位可供选择、并相互换算; | ||||||||||||||||||||||||||||||||||||||||||||||||||||||||||||||||||||||||||||||||||||||||||||||||||||
| 重力加速度设置功能; | ||||||||||||||||||||||||||||||||||||||||||||||||||||||||||||||||||||||||||||||||||||||||||||||||||||
| 比较功能,上下限偏差值自由设定,红绿指示灯及蜂鸣器自动声光报警设置; | ||||||||||||||||||||||||||||||||||||||||||||||||||||||||||||||||||||||||||||||||||||||||||||||||||||
| 特大记忆储存功能——888个测试值存储; | ||||||||||||||||||||||||||||||||||||||||||||||||||||||||||||||||||||||||||||||||||||||||||||||||||||
| 感应式背光灯,开启关闭可自由设定; | ||||||||||||||||||||||||||||||||||||||||||||||||||||||||||||||||||||||||||||||||||||||||||||||||||||
| LCD液晶屏显示方向可翻转; | ||||||||||||||||||||||||||||||||||||||||||||||||||||||||||||||||||||||||||||||||||||||||||||||||||||
| 绿色环保,环保省电及保护本机设计,关机时间(10~90分钟)自由设定; | ||||||||||||||||||||||||||||||||||||||||||||||||||||||||||||||||||||||||||||||||||||||||||||||||||||
| 可设定上下限及比较值做统计分析。超过比较值蜂鸣报警; | ||||||||||||||||||||||||||||||||||||||||||||||||||||||||||||||||||||||||||||||||||||||||||||||||||||
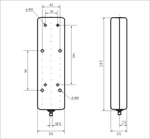
| 2套安装尺寸,适应国内外多数测试机台,方便用户安装到机台上使用; | ||||||||||||||||||||||||||||||||||||||||||||||||||||||||||||||||||||||||||||||||||||||||||||||||||||
| 按键配置及操作简单明了使用方便;并可安装于各种试验机台及夹具作为专用试验机使用; | ||||||||||||||||||||||||||||||||||||||||||||||||||||||||||||||||||||||||||||||||||||||||||||||||||||
| RS-232C串口输出功能,搭配免费赠送的配套同步软件,可将测试数据通过数据线输入电脑得到测试 曲线图,并可导出做各种详细的分析。 | ||||||||||||||||||||||||||||||||||||||||||||||||||||||||||||||||||||||||||||||||||||||||||||||||||||
一年保修,终身维护。
| ||||||||||||||||||||||||||||||||||||||||||||||||||||||||||||||||||||||||||||||||||||||||||||||||||||