MDA 8000HD 电机驱动分析仪 概述
电机驱动分析仪提供从电机驱动输入到电机机械输出的完整的三相数字和波形功率分析,集成了电机的扭矩、速度、位置,结果显示在数字功率表中,是一个极为完整的电机测试方案。 长存储,每个周期“合成”的波形及Zoom+Gate模式提供了强大的动态驱动及电机分析能力。8个模拟输入通道(选配MSO)、12-bit高垂直分辨率、高达10 GS/s的采样率、高达2 GHz的带宽和高达5Gpts的存储深度 ,为电机驱动功率部件,电机机械性能,及嵌入式驱动控制系统提供了独特的全面调试能力。MDA 8000HD 电机驱动分析仪 产品特点
示波器 + 功率分析仪 完整的电机测试方案
全部电机驱动系统验证与调试
数字功率表
动态驱动响应分析
完整的电机机械集成
图形化用户界面
HD4096 高分辨率技术
示波器 + 功率分析仪
电机驱动分析仪搭载于8通道12-bit MDA8000 HD示波器平台。它不仅包括了所有嵌入式系统调试所需要的示波器高级功能,而且还包括三相功率及电机的机械参数分析,精度与功率分析仪相比误差在1%以内。
全部电机驱动系统验证与调试
传统的四通道示波器能够捕获更高速率的嵌入式控制系统或者功率晶体管的行为。功率分析仪是一个单一的只测量“黑盒子”输入输出的驱动功率和效率,只能提供有限的、无法进行波形捕获的嵌入式控制或者驱动系统的调试。电机驱动分析仪拥有8个模拟输入通道 (+16 个选配数字通道) ,能够捕获三相功率部件、单个功率晶体管、以及嵌入式控制系统的波形,并在一个高性能仪器中对功率部件的波形执行相应的三相功率分析,实现对整个电机驱动的全方位调试和分析。

数字功率表
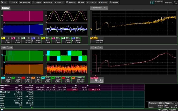
三相功率系统中的值(有功功率、视在功率、无功功率、功率因数,相位角、效率,以及各种电压、电流和机械参数)显示在用户可定义的数字功率表中。可以同时显示多达120个参数数值。

电机驱动动态分析
电机驱动分析仪最大可提供250 Mpts/Ch长存储。特别适合电机、电机驱动和三相电的动态响应分析。例如,在10 MS/s采样率情况下,可以捕获25秒的连续波形。.触摸一个数值表即可创建一个参数随着时间的每个周期“合成”的波形。使用Zoom+Gate可以观察所采集到的所有周期波形中某一个位置的波形细节且测试数值也被限定到这个范围内。

完整的电机机械集成
几乎所有类型的速度、旋转或者位置传感器,包括模拟和数字(脉冲)转速,霍尔传感器,正交编码接口(QEI),以及旋转变压器被简单地集成到了一起。MSO(数字)输入可以被使用以节省宝贵的模拟通道。
当然,传统的模拟扭矩负载单元以及模拟/数字转速器也可以被集成到一起。
直观的图形化用户界面
直观的图形化用户界面提供了设置/连接向导。设置功能提供了任何单相或三相驱动输入和输出的任意组合。
快速的按钮提供了快速通向高级功能的能力。

HD4096 高分辨率技术
使用HD4096技术的示波器可以精确采集和测量高达1GHz带宽、高采样率和比其他的示波器高达16倍的垂直分辨精度。
MDA 8000HD 电机驱动分析仪 技术参数
带宽 | 350 MHz - 2 GHz |
标准内存 | 最高5Gpts |
最高采样率 | 10 GS/s |
输入通道 | 8 |
垂直分辨率 | 12-bit |