WaveRunner9000系列 示波器 概述
WaveRunner9000示波器结合了高端示波器的经验,通过配置广泛的工具来缩短调试的时间。MAUI的OneTouch特点提供了独特的触摸操作体验,提高了示波器的操作效率。500MHz-4GHz带宽范围,40GS/s采样率,长储存,MAUI—高级用户界面,以及多功能的工具包,使得 WaveRunner9000难以置信的强大和想象不到的简单。WaveRunner9000系列 示波器 产品特点
500 MHz - 4 GHz 带宽
高达 40 GS/s采样率
MAUI的OneTouch特性:
为触摸而设计
为简单而创造
为问题而发明
高级工具:
抖动和时序分析能力
WaveScan – 搜索和查找
LabNotebook 在线报告生成器
History Mode –波形回放
软件选项:
高级定制
数字滤波
频谱分析
器件和开关电源分析
全面的串行数据分析、调试、验证及一致性工具
采样率达到1.25GS/s的16数字通道:
模拟和数字交叉码型触发
数字码型搜索查找
模拟和数字时序测量
逻辑门仿真
活动指示器
MAUI-超级用户体验
MAUI-先进的用户界面将现代示波器所有的功能集中到您手指尖上。为触摸而设计:所有重要的示波器控制都可通过直观的触摸屏实现。为简单而创造:快捷键节省了时间,直观的对话框简化了设置。为解决问题而创造:深入的调试与分析工具能够快速的帮助工程师识别问题和找到解决方案。

带有OneTouch的MAUI
Wave Runner9000的MAUI OneTouch提供了独特的示波器触摸操作体验,通过常用的手势来和示波器交互,显著节省了时间,提高了效率,所以的常用操作都可以通过一次触摸操作完成,不需要再去打开菜单。

强大深入的工具箱
标准的函数、测量、调试和归档功能提供了完整的分析能力,高级自定义选项(XDEV)允许用户自定义测量参数和函数。

“M”型号提供高采样率和大存储深度
业内**的40GS/s的采样率可以高保真的完成快沿信号的重建。长存储可以保证在长时基时,仍能保持高采样率。高达128M的存储深度是调试高速串行数据中长周期行为的理想选择。

杰出的串行数据工具
多种多样的应用软件能够应对所有来自串行数据测试的挑战,从全自动一致性测试软件到灵活的调试工具包。一整套协议和眼图测试工具包,是直观的触发和解码软件包的极好补充。

强大的混合信号能力
WaveRunner 9000-MS示波器提供了强大的混合信号测试方案,将高清模拟通道和灵活的数字输入组合到了一起。WaveRunner 9000-MS型号集成了采样率为1.25 GS/s的16个数字通道,成为了一台集数字、模拟等于一身的调试机器。

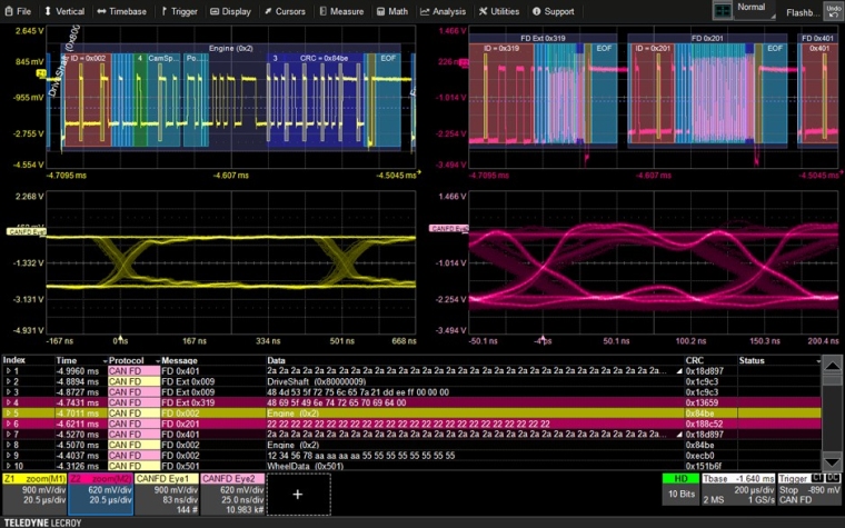
串行触发,解码,测量/图形,以及眼图
使用串行总线触发和使用颜色编码标注的协议信息显示在模拟或数字波形的顶部来隔离事件。时序和总线测量能够快速而容易的描述一个串行数据系统。串行(数字)数据能够被提取和图形化显示出来以监控系统性能随着时间的变化。通过眼图模板测试和模板失败定位器可以识别物理层异常。

LabNotebook
WaveRunner 9000的LabNotebook是理想的归档工具,LabNotebook一键就可以自动保存所有显示的波形、示波器设置文件和屏幕图片,不需要通过多个菜单单独保存这些文件。报告可以被标注和分享,通过回调可以很容易的重建实验和对比测试结果,可以在示波器或者PC上的WaveStudio上回调LabNotebook文件。

抖动分析选项(WR9K-JITKIT)
JITKIT让时钟和时钟—数据的系统抖动分析变得简单和易于理解,包括周期抖动、半周期抖动、周期—周期抖动、偏移、幅度、差分电压交叉点、摆率和其他多种通用抖动测量。

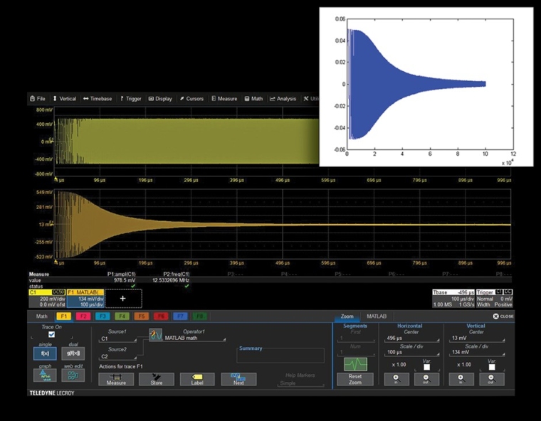
XDEV 高级自定义选项(WR9K-XDEV)
使用XDEV选项,您可以将第三方软件包集成到示波器的数据流中,基于示波器的环境创建一个新的测量参数或者数学函数,实时的在示波器屏幕上显示结果,可以利用C++、Matlab、Excel、VB等创建自己的测量参数或者数学函数。

WaveRunner9000系列 示波器 技术参数
带宽 | |
标配存储深度 | 32 Mpts - 128 Mpts(内插) |
最大采样率 | 20 GS/s - 40GS/s |
输入通道 | 4 |
垂直分辨率 | 8-bit |
屏幕尺寸 | 15.4 |