目前汽车测试的波形日趋复杂,尽管标准中单一现象模拟仍然在进行测试,但真实环境下的整车或部件更受重视。普通的波形发生器无法满足这些要求,特别是当一次测试中需要多种测试产生迭加时,AWG 100任意波形信号发生器是一种***选择。
① 多序列振荡器
·信号输出部为积木式组件,可扩充到最多4个通道;
·可生成任意波形;( DC波形、斜波、正弦波、扫频波、指数波、正弦波、不规则波无规律任意波)
·4个通道,每个通道之间可实现严格同步。
·可加载示波器存储波形。
② 可生成任意波形的软件
利用**的GUI任意波形生成软件,能够简单地生成重复进行电压、时间扫描的复杂波形
特点:
> 满足IS0 16750标准的试验及部分车厂标准;
> 每一振荡通道装有波形运算电路,可实现高分辨率高精度的波形输出;
> 通过软件控制(以太网)、可以简单,真实地再现各种变动现象;
> 保证通道间波形的同步偏差小于1μs以下;
> 用示波器获得的波形数据(CSV),也能以高精度输出。
命名规则:

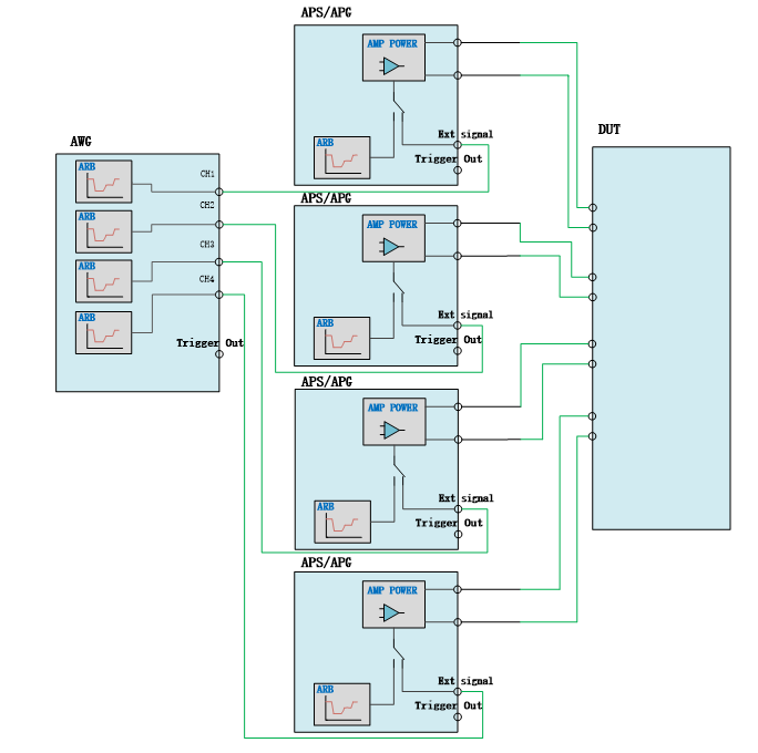
测试连接示意图:

技术参数 | |
通道数 | 1ch~4ch,2或 4通道可选 |
通道间同步精度 | <1 us |
波形类型 | DC波形、斜波、三角波、正弦波、方波、扫频波、指数波、示波器存储数据波形、用户自定义编辑波形,不规则无规律任意波 |
可设波形参数 | 幅度、持续时间、频率、DC偏移、整流、周期占空比、相位角,触发 |
幅度和偏置变化 | 静态,线性 |
频率变化 | 静态,线性,对数 |
开始、结束相位控制 | 0 ~ 360°,1°步进设置 |
整流 | 无,正,负,桥式整流,可编程 |
每通道频率范围 | 运算方式:500 kHz max正弦波、方波、三角波等波形包含扫频、幅值、偏置、相位角 直接内存方式:DC-500 kHz任意波 |
波形输出率 | 每通道25MSPS |
频率分辨率 | 0.01 Hz |
上升/下降时间 | ≤100 ns @20 Vpp |
波形电压幅值 | 0~±10.00 V |
负载能力 | ≥ 1 kΩ |
短路输出保护 | 是 |
电压设定分辨率 | 1 mV |
输出线性度 | ± (0.2% + 10 mV) DC ±1% 0.01 – 100 kHz ±2% 100 – 350 kHz ±5% 350 – 500 kHz |
可引入文件类型 | CSV |
引入文件波形点数 | 16 MB Max |
波形数据存储 | 动态缓存数据存储器1GB DDR3 非易失数据存储器 32 GB NAND FLASH |
构成波形的片段 | 每个波形可达1000个片段,每个片段可由若干种类波形构成 |
段持续时间 | 10微秒到299小时 |
段间延迟 | 无 |
测试时间 | 1毫秒-9,999小时, 1到9999个计数 |
触发示波器输出 | 1个BNC插座 0-5 V 在波形生成软件的任意点上设置触发点,利用示波器的外部触发功能监视生成的波形。 |
外部控制输入 | 1个BNC插座 0-5 V输入。可用于1~4CH波形的外部控制。 |
PC接口 | 以太网 |
通用参数 | |
供电电压 | AC 90 V-260 V 50/60 Hz 100 VA |
环境温度 | 15-35℃ |
相对温度 | 15℃-35℃ |
尺寸 | 4U机箱 |
重量 | 约10 kg |
软件(选配) |
通过自主开发的AutoLab软件,用户可以对波形片段或测试点编辑各种波形。根据不同需求,用户可以用高级图片工具调整波形,同时也支持其他方式记录波形(例如示波器截取)。所有类型的波形均可下载到AWG 100。 AWG 100和APS、APG系列电源电压故障模拟器进行配套使用。 |
随机标配 |
主机一台、说明书、检测报告、质保书、测试线、电源线 |
产品标准