人工网络TAN 400C主要用于CISPR 25测试中将低压零部件与电源隔离,并用于电源线路上的传导骚扰电压测试。阻抗完全满足CISPR 25标准人工网络的特征。EUT连接到面板的OUTPUT输出端,电源端口连接到面板INPUT输入端。EMI测量端口为标准N型接口。
产品特点:
> 符合CISPR 25标准
> 最大持续电流可达400 A
> 频率范围0.1 MHz ~ 110 MHz
> 测试电压最大500 V DC,250 V 50 / 60 Hz,125 V 400 Hz
> N型测试端子
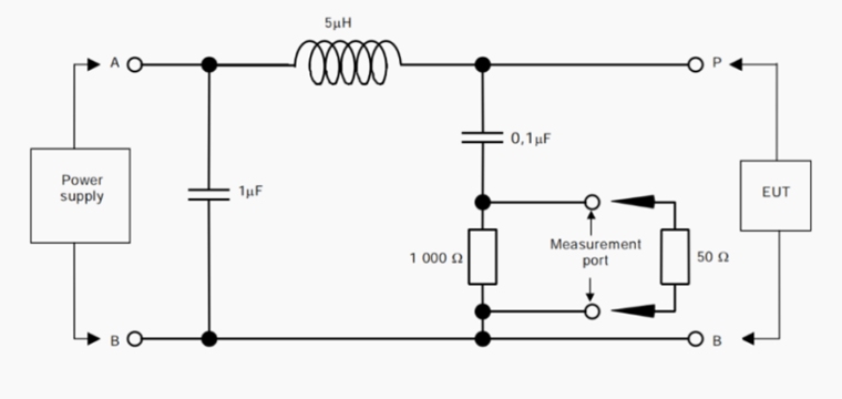
电路原理图:

命名规则:

技术参数 | |
测试电压Vmax | 500 V DC |
250 V 50 / 60 Hz | |
125 V 400 Hz | |
测试电流Imax | 400 A |
瞬时最大电流 | 500 A |
阻抗 | 5 μH‖50 Ω ± 10% |
阻抗频率范围 | 0.1 MHz ~ 110 MHz |
耦合电容 | 0.1 μF |
去耦电容 | 1 μF |
通用参数 | |
测试端子 | N型 |
机箱尺寸 | 200mm(W)*220mm(H)*420mm(D) |
仪器重量 | 约 11 kg |
温度范围 | 15℃ ~ 35℃ |
湿度范围 | 45% ~ 75%,RH(无凝露) |
气压范围 | 86 kPa ~ 106 kPa |
标配附件:说明书、质检报告
产品标准