RSG 80C50纹波信号发生器符合ISO/TS 7637-4: 2020、ISO 21498: 2024以及VW 80300: 2021标准,满足新能源车载电驱动及高压零部件的瞬态传导测量标准脉冲B要求。同时兼容GJB 151B、ISO 11452.8等标准低频抗扰度测试。该设备采用我司的第三代控制平台设计,具有控制智能化,操作简单,在Autolab软件界面设置相关参数即可进行一键运行测试。
特点:
> 5.7寸彩色触摸屏,前面板操作
> 符合 ISO/TS 7637-4:2020标准脉冲B要求
> 过电压和过电流保护
> 外置耦合变压器
> 多种运行模式,满足测试需求
> 低频功放10Hz -300 kHz、160Vpp、100App
> 以太网、RJ45接口,用于PC远程控制、打印测试报告
> 输出电压精度±0.2 V
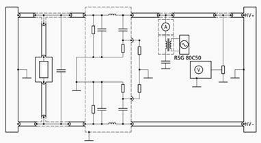
标准连接示意图
ISO 7637-4,B波连接图 line-to-line

ISO 7637-4,B波连接图 HV+ line-to-ground

技术参数 | |
频率范围 | 10Hz ~ 300kHz |
频率步进 | 0.01Hz |
最大开路输出电压 | 160 Vpp |
纹波驻留时间 | 2 s ~999 s,分辨率0.1 s |
最大输出电流 | 100App |
输出电压精度 | ±0.2 V |
通用参数 | |
供电电压 | AC 380 V,土10%,50 Hz /60 Hz |
触发方式 | 自动触发、手动触发、外部触发 |
用户存储空间 | 无穷 |
失效检测 | 失效时前面板LCD显示,并中断仪器工作 |
仪器工作状态指示 | LED指示LCD显示 |
仪器重量 | 156 kg |
机箱尺寸 | 22U |
仪器接地连接方式 | 使用扁平接地线 |
环境温度 | 15 ℃- 35 ℃ |
湿度范围 | 45% - 75% |
气压范围 | 86 kPa -106 kPa |
最大功耗 | 6 kW |
标配附件 | |
说明书、出厂报告、测试线、电源线、保险丝 | |
选配附件 | |
耦合变压器 TPT-7637-4C100B
| 最大不饱和电压(Vpp)160 Vpp |
最大耦合电流(App)100 App | |
最大EUT电流(A) DC 100 A | |
最大EUT电压(V) DC 1000 V | |
匝数比1:1 | |
频率范围10 Hz ~ 300 kHz | |
抗扰度测试软件 CoreLab
| >支持windows 7 and Windows 10。 |
>标准测试库,用户可以自定义测试程序。 | |
>用户可自定义任意波形(标准库以外)。 | |
>它能够自动/手动识别所连接的Autolab测试设备并进行自动配置。 | |
>基于模板的报告功能可以帮助用户灵活地生成测试报告。 | |
产品标准