LISN ML 600S人工电源网络用于GJB 151B 及MIL-STD-461电源传导发射测试中隔离电源干扰并为受试设备(EUT)提供规定的电源阻抗,其阻抗特性完全满足标准要求。使用时,只需将EUT 连接到OUTPUT 输出端,电源连接到INPUT 输入端。EMI 测量端口采用标准N 型接口。
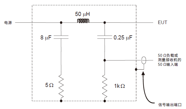
原理图:

可搭配LISN ML 600S-KIT校准:
技术参数 | |
测试电压Vmax | 600V DC, 300V AC 50 Hz ~ 800Hz |
测试电流Imax | 600 A |
测试端子 | N |
电感 | 50μH |
阻抗 | 50μH+5Ω‖50Ω |
耦合电容 | 0.25μF |
阻抗频率范围 | 9 kHz-30 MHz |
通用参数 | |
供电电压 | AC 110 V/220 V(士10%),50 Hz /60Hz(士5%)(大陆地区内默认AC 220 V 50 Hz) |
外形尺寸 | 460 mm*340 mm*920 mm (长*宽*高) |
环境温度 | 15℃ ~ 35℃ |
相对湿度 | 45% ~ 75% |
重量 | 70 kg |
附件 |
电源线、保险丝、校准报告、说明书 |
产品标准