TANLH 200高压人工电源网络依据标准CISPR 25, ISO 7637-4和ECE R10设计而成,用于新能源汽车高压测试系统的干扰特性测试,能够将零部件与电源隔离,并为被试零部件提供满足要求的负载阻抗。
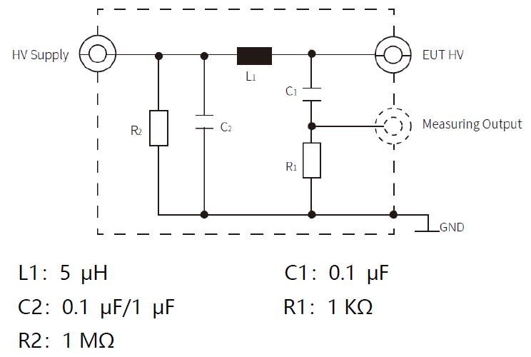
设计原理:

技术参数 | |
符合标准:CISPR 25, ISO 7637-4和ECE R10 | |
测试电压Vmax | 300 V 400 Hz |
700 V 50/60 Hz | |
1000 V DC | |
测试电流Imax | 200 A |
瞬时最大电流 | 280 A |
同轴端子 | N型 |
电感 | 5 μH |
耦合电容 | 0.1 μF |
输入电容 | 0.1 μF, 1 μF 可切换 |
频率范围 | 0.1 MHz ~ 150 MHz |
通用参数 | |
机箱尺寸 | 200 mm*210 mm*415mm(宽*高*深) |
仪器重量 | 7.6 kg |
温度范围 | 15 ℃ ~ 35 ℃ |
湿度范围 | 45% ~ 75% |
气压范围 | 86 kPa ~ 106 kPa |
附件 |
说明书 |
选购件 |
阻抗校准治具 |
产品标准