苏州泰思特电子科技有限公司
宽带隔离变流器WCT 20

查看原图
型号:WCT 20
配件产地:国产配件

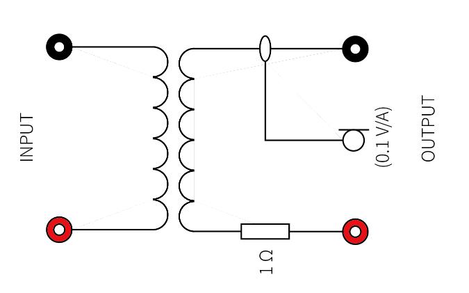
WCT 20宽带隔离变流器适用于IEC 61000-4-19差模电流传导抗扰度试验。该设备可以实现差模信号发生器与被试设备(EUT)的有效电气隔离,保障试验安全。

设备原理图:

技术参数

频率范围

2 kHz ~ 150 kHz

最大电流

5 A

最大电压

<22 V

阻抗

1 Ω±0.3 Ω

接头

4 mm香蕉头

温度范围

5 ℃~40 ℃

湿度范围

< 80%

气压范围

86 kPa ~ 106 kPa

尺寸

200 mm (L)×150 mm(W)×53 mm(H)

重量

2.5 kg

产品发布日期:2026.01.24
苏州泰思特电子科技有限公司