LISN AR 50人工电源网络满足RTCA/DO 160第20部分和第22部分对人工电源网络(LISN)的要求,用于给EUT提供输入功率的电源阻抗,保证试验结果的一致性。
使用时,只需将受试设备(EUT)连接到OUTPUT输出端,电源连接到INPUT输入端即可。50 Ω OUTPUT(同轴输出)端口采用标准BNC型接口。
特点:
> 性能稳定
> 接线简单
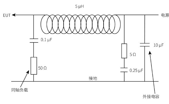
设备原理图:

技术参数 | |
测试电压Vmax | 600 VDC, 530 V 400 Hz, 270 V 890 Hz |
测试电流Imax | 50 A |
瞬时最大电流 | 100 A |
同轴端子 | BNC型 |
电感 | 5 μH |
耦合电容 | 0.1 μF |
阻抗频率范围 | 0.01 MHz ~ 400 MHz |
通用参数 | |
机箱尺寸 | 220 mm*220 mm*257mm(宽*高*深) |
仪器重量 | 约5 kg |
环境温度 | 15℃ ~35℃ |
相对湿度 | 45% ~75% |
大气压力 | 86 kPa ~ 106 kPa |
附件 |
说明书、LISN AR 50耦合校准电容 |
选购件 |
LISN AR 50阻抗校准夹具 |
产品标准