CDN 419M4N-32耦合去耦网络适用于(差模传导抗扰)三相4线(L1+L2+L3+N)线缆,其耦合差模传导抗扰电压可达到30V。严格按照IEC 61000-4-19:2014标准要求来设计。
产品特点:
>符合标准IEC 61000-4-19标准要求
>4线差模测试
>香蕉头端子信号注入
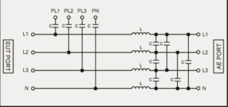
1、标准原理图:

2、测试连接示意图:

技术参数 | |
标准 | IEC 61000-4-19:2014 |
耦合频率 | 2 KHz-150 KHz ,CW波 |
耦合电压 | 30 V |
耦合模式 | 差模 (线对线) |
耦合器件 | 12 μF 电容器 |
工作电压 | 最大 400 V DC |
工作电流 | 最大 32 A |
AE/EUT端口类型 | 4mm香蕉头 |
信号注入端口类型 | 4mm香蕉头 |
通用参数 | |
重量 | 约10 kg |
尺寸 | 360 mm×220 mm×135mm(长×宽×高) |
壳体材料 | 铝材料 |
环境温度 | 15℃ - 35℃ (操作条件) |
相对湿度 | 45% - 75% (操作条件) |
随机配件 |
测试线 |
产品标准