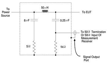
线路阻抗稳定网络LISN J50主要用于GJB151B-2013和MIL-STD-461E-1999测试中将零部件与电源隔离,并测量车辆、船舶和内燃机的干扰特性。阻抗完全满足标准规定的特征。EUT连接到面板的OUTPUT输出端,电源端口连接到面板INPUT输入端。EMI测量端口为标准N型接口。
设计原理:

技术参数 | |
符合标准:GJB151B-2013& MIL-STD-461E-1999 | |
测试电压Vmax | 500VDC |
250V 50/60Hz | |
135V 400Hz | |
测试电流Imax | 50A |
瞬时最大电流 | 75A |
测试端子 | N型 |
电感 | 50uH |
耦合电容 | 0.25uF |
阻抗频率范围 | 9KHz-30MHz |
通用参数 | |
机箱尺寸* | 360mm*160mm*160mm (长*宽*深) |
仪器重量* | 约4KG |
环境温度 | 15-35℃ |
环境湿度 | 45% - 75% |
气压范围 | 86kPa – 106kPa |
随机标配 |
主机1台、说明书、检测报告 |
产品标准