介可视(北京)机电技术有限公司
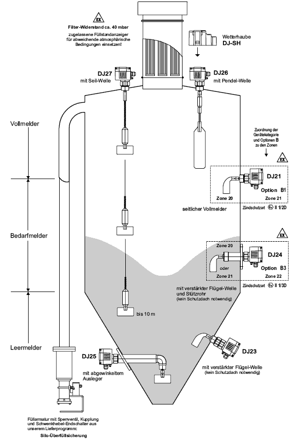
DJ24阻旋料位计轴叶增强型

查看原图
型号:DJ24
品牌:德国 MOLLET

DJ24在所有的大宗物料测量中作为筒仓和开放仓的满、空等需求的指标。 独立的单元配置提供了许多选择和广泛的配件能够准确地适应具体的应用。

工作原理

应用范围

粮食筒仓,谷物粉磨机,饲料装置,水泥,混凝土搅拌设备,沙子,卵石,砂砾,球团矿木材,木材废料,木头碎片,筒仓散装货物,料仓,塑料筒仓,大型筒仓,容器,卸出输送管,输送机,升降机,输送机传送带,装卸设备,加载料仓,除尘器

产品发布日期:2026.03.23
介可视(北京)机电技术有限公司