特点
●小型轻量
●低价格
●适合载荷分布测量。
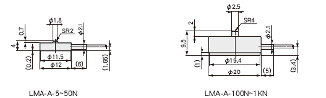
外形尺寸图

产品一览
全部显示
LMA-A-5N
5N用

规格
性能
| 额定容量 | 5N |
|---|---|
| 非线性 | ±1%RO或以内 |
| 滞后 | ±1%RO或以内 |
| 反复性 | 1%RO或以下 |
| 额定输出 | 0.6~2mV/V(1200~4000×10-6应变量) |
环境特性
| 允许使用温度范围 | -10~60℃(无结露现象) |
|---|---|
| 温度补偿范围 | 0~50℃(无结露现象) |
| 零点温度影响 | ±0.3%RO/℃或以内 |
| 输出温度影响 | ±0.2%/℃或以内 |
电气特性
| 大激励电压 | 7V AC或DC |
|---|---|
| 推荐激励电压 | 1~5V AC或DC |
| 输入电阻 | 350Ω±2.5% |
| 输出电阻 | 350Ω±2.5% |
| 电缆 | 0.035mm2,4芯屏蔽乙烯线2m,外径1.7mm,前端裸线 (屏蔽线没有与主机连接) |
机械特性
| 安全过载 | 150% |
|---|---|
| 固有频率 | 约15.3kHz |
| 重量 | 约1.5g (不含电缆) |
| 材料 | 铜合金 |
| 保护等级 | IP64 (IEC 60529) |
| 选购件 | 安装台座 CFM-A |
|---|
外形尺寸图

LMA-A-10N
10N用

规格
性能
| 额定容量 | 10N |
|---|---|
| 非线性 | ±1%RO或以内 |
| 滞后 | ±1%RO或以内 |
| 反复性 | 1%RO或以下 |
| 额定输出 | 0.75~2mV/V(1500~4000×10-6应变量) |
环境特性
| 允许使用温度范围 | -10~60℃(无结露现象) |
|---|---|
| 温度补偿范围 | 0~50℃(无结露现象) |
| 零点温度影响 | ±0.2%RO/℃或以内 |
| 输出温度影响 | ±0.2%/℃或以内 |
电气特性
| 大激励电压 | 7V AC或DC |
|---|---|
| 推荐激励电压 | 1~5V AC或DC |
| 输入电阻 | 350Ω±2.5% |
| 输出电阻 | 350Ω±2.5% |
| 电缆 | 0.035mm2,4芯屏蔽乙烯线2m,外径1.7mm,前端裸线 (屏蔽线没有与主机连接) |
机械特性
| 安全过载 | 150% |
|---|---|
| 固有频率 | 约17.5kHz |
| 重量 | 约1.5g (不含电缆) |
| 材料 | 铜合金 |
| 保护等级 | IP64 (IEC 60529) |
| 选购件 | 安装台座 CFM-A |
|---|
外形尺寸图

LMA-A-20N
20N用

规格
性能
| 额定容量 | 20N |
|---|---|
| 非线性 | ±1%RO或以内 |
| 滞后 | ±1%RO或以内 |
| 反复性 | 1%RO或以下 |
| 额定输出 | 0.75~2mV/V(1500~4000×10-6应变量) |
环境特性
| 允许使用温度范围 | -10~60℃(无结露现象) |
|---|---|
| 温度补偿范围 | 0~50℃(无结露现象) |
| 零点温度影响 | ±0.2%RO/℃或以内 |
| 输出温度影响 | ±0.2%/℃或以内 |
电气特性
| 大激励电压 | 7V AC或DC |
|---|---|
| 推荐激励电压 | 1~5V AC或DC |
| 输入电阻 | 350Ω±2.5% |
| 输出电阻 | 350Ω±2.5% |
| 电缆 | 0.035mm2,4芯屏蔽乙烯线2m,外径1.7mm,前端裸线 (屏蔽线没有与主机连接) |
机械特性
| 安全过载 | 150% |
|---|---|
| 固有频率 | 约24.8kHz |
| 重量 | 约1.5g (不含电缆) |
| 材料 | 铜合金 |
| 保护等级 | IP64 (IEC 60529) |
| 选购件 | 安装台座 CFM-A |
|---|
外形尺寸图

LMA-A-50N
50N用

规格
性能
| 额定容量 | 50N |
|---|---|
| 非线性 | ±1%RO或以内 |
| 滞后 | ±1%RO或以内 |
| 反复性 | 1%RO或以下 |
| 额定输出 | 0.75~2mV/V(1500~4000×10-6应变量) |
环境特性
| 允许使用温度范围 | -10~60℃(无结露现象) |
|---|---|
| 温度补偿范围 | 0~50℃(无结露现象) |
| 零点温度影响 | ±0.2%RO/℃或以内 |
| 输出温度影响 | ±0.2%/℃或以内 |
电气特性
| 大激励电压 | 7V AC或DC |
|---|---|
| 推荐激励电压 | 1~5V AC或DC |
| 输入电阻 | 350Ω±2.5% |
| 输出电阻 | 350Ω±2.5% |
| 电缆 | 0.035mm2,4芯屏蔽乙烯线2m,外径1.7mm,前端裸线 (屏蔽线没有与主机连接) |
机械特性
| 安全过载 | 150% |
|---|---|
| 固有频率 | 约32.6kHz |
| 重量 | 约1.5g (不含电缆) |
| 材料 | 铜合金 |
| 保护等级 | IP64 (IEC 60529) |
| 选购件 | 安装台座 CFM-A |
|---|
外形尺寸图

LMA-A-100N
100N用

规格
性能
| 额定容量 | 100N |
|---|---|
| 非线性 | ±1%RO或以内 |
| 滞后 | ±1%RO或以内 |
| 反复性 | 1%RO或以下 |
| 额定输出 | 0.75~2mV/V(1500~4000×10-6应变量) |
环境特性
| 允许使用温度范围 | -10~60℃(无结露现象) |
|---|---|
| 温度补偿范围 | 0~50℃(无结露现象) |
| 零点温度影响 | ±0.05%RO/℃或以内 |
| 输出温度影响 | ±0.05%/℃或以内 |
电气特性
| 大激励电压 | 7V AC或DC |
|---|---|
| 推荐激励电压 | 1~5V AC或DC |
| 输入电阻 | 350Ω±2.5% |
| 输出电阻 | 350Ω±2.5% |
| 电缆 | 0.035mm2,4芯屏蔽乙烯线2m,外径1.7mm,前端裸线 (屏蔽线没有与主机连接) |
机械特性
| 安全过载 | 150% |
|---|---|
| 固有频率 | 约21.6kHz |
| 重量 | 约11g (不含电缆) |
| 材料 | 不锈钢 |
| 保护等级 | IP64 (IEC 60529) |
| 选购件 | 安装台座 CFM-A |
|---|
外形尺寸图

LMA-A-200N
200N用

规格
性能
| 额定容量 | 200N |
|---|---|
| 非线性 | ±1%RO或以内 |
| 滞后 | ±1%RO或以内 |
| 反复性 | 1%RO或以下 |
| 额定输出 | 0.75~2mV/V(1500~4000×10-6应变量) |
环境特性
| 允许使用温度范围 | -10~60℃(无结露现象) |
|---|---|
| 温度补偿范围 | 0~50℃(无结露现象) |
| 零点温度影响 | ±0.05%RO/℃或以内 |
| 输出温度影响 | ±0.05%/℃或以内 |
电气特性
| 大激励电压 | 7V AC或DC |
|---|---|
| 推荐激励电压 | 1~5V AC或DC |
| 输入电阻 | 350Ω±2.5% |
| 输出电阻 | 350Ω±2.5% |
| 电缆 | 0.035mm2,4芯屏蔽乙烯线2m,外径1.7mm,前端裸线 (屏蔽线没有与主机连接) |
机械特性
| 安全过载 | 150% |
|---|---|
| 固有频率 | 约29.7kHz |
| 重量 | 约11g (不含电缆) |
| 材料 | 不锈钢 |
| 保护等级 | IP64 (IEC 60529) |
| 选购件 | 安装台座 CFM-A |
|---|
外形尺寸图

LMA-A-500N
500N用

规格
性能
| 额定容量 | 500N |
|---|---|
| 非线性 | ±1%RO或以内 |
| 滞后 | ±1%RO或以内 |
| 反复性 | 1%RO或以下 |
| 额定输出 | 0.75~2mV/V(1500~4000×10-6应变量) |
环境特性
| 允许使用温度范围 | -10~60℃(无结露现象) |
|---|---|
| 温度补偿范围 | 0~50℃(无结露现象) |
| 零点温度影响 | ±0.05%RO/℃或以内 |
| 输出温度影响 | ±0.05%/℃或以内 |
电气特性
| 大激励电压 | 7V AC或DC |
|---|---|
| 推荐激励电压 | 1~5V AC或DC |
| 输入电阻 | 350Ω±2.5% |
| 输出电阻 | 350Ω±2.5% |
| 电缆 | 0.035mm2,4芯屏蔽乙烯线2m,外径1.7mm,前端裸线 (屏蔽线没有与主机连接) |
机械特性
| 安全过载 | 150% |
|---|---|
| 固有频率 | 约43.9kHz |
| 重量 | 约11g (不含电缆) |
| 材料 | 不锈钢 |
| 保护等级 | IP64 (IEC 60529) |
| 选购件 | 安装台座 CFM-A |
|---|
外形尺寸图

LMA-A-1KN
1kN用

规格
性能
| 额定容量 | 1kN |
|---|---|
| 非线性 | ±1%RO或以内 |
| 滞后 | ±1%RO或以内 |
| 反复性 | 1%RO或以下 |
| 额定输出 | 0.75~2mV/V(1500~4000×10-6应变量) |
环境特性
| 允许使用温度范围 | -10~60℃(无结露现象) |
|---|---|
| 温度补偿范围 | 0~50℃(无结露现象) |
| 零点温度影响 | ±0.05%RO/℃或以内 |
| 输出温度影响 | ±0.05%/℃或以内 |
电气特性
| 大激励电压 | 7V AC或DC |
|---|---|
| 推荐激励电压 | 1~5V AC或DC |
| 输入电阻 | 350Ω±2.5% |
| 输出电阻 | 350Ω±2.5% |
| 电缆 | 0.035mm2,4芯屏蔽乙烯线2m,外径1.7mm,前端裸线 (屏蔽线没有与主机连接) |
机械特性
| 安全过载 | 150% |
|---|---|
| 固有频率 | 约53kHz |
| 重量 | 约11g (不含电缆) |
| 材料 | 不锈钢 |
| 保护等级 | IP64 (IEC 60529) |
| 选购件 | 安装台座 CFM-A |
|---|
外形尺寸图
