特点
●小型轻量
●高输出
●使用双自动补偿应变片
※双自动补偿应变片是指在自动补偿温度应变片上附加的灵敏度温度补偿功能。
产品一览
全部显示
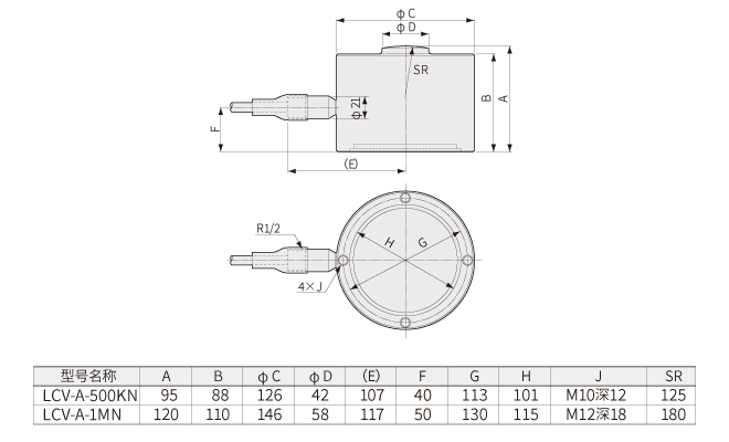
LCV-A-500KN
500kN用

规格
性能
| 额定容量 | 500kN |
|---|---|
| 非线性 | ±0.1%RO或以内 |
| 滞后 | ±0.1%RO或以内 |
| 反复性 | 0.05%RO或以下 |
| 额定输出 | 2.5mV/V(5000×10-6应变量)±0.2% |
环境特性
| 允许使用温度范围 | -20~80℃ |
|---|---|
| 温度补偿范围 | -10~70℃ |
| 零点温度影响 | ±0.005%RO/℃或以内 |
| 输出温度影响 | ±0.005%/℃或以内 |
电气特性
| 大激励电压 | 20V AC或DC |
|---|---|
| 推荐激励电压 | 1~10V AC或DC |
| 输入电阻 | 350Ω±0.5% |
| 输出电阻 | 350Ω±0.5% |
| 电缆 | 0.5mm2,4芯屏蔽氯丁橡胶铠装线5m,外径8.5mm,前端裸线 (屏蔽线没有与主机连接) |
机械特性
| 安全过载 | 150% |
|---|---|
| 固有频率 | 约13kHz |
| 重量 | 约6kg(不含电缆) |
| 保护等级 | IP67 (IEC 60529) |
| 选购件 | 荷载底座 CA 安装台座 CF |
|---|
外形尺寸图

LCV-A-1MN
1MN用

规格
性能
| 额定容量 | 1MN |
|---|---|
| 非线性 | ±0.1%RO或以内 |
| 滞后 | ±0.1%RO或以内 |
| 反复性 | 0.05%RO或以下 |
| 额定输出 | 2.5mV/V(5000×10-6应变量)±0.2% |
环境特性
| 允许使用温度范围 | -20~80℃ |
|---|---|
| 温度补偿范围 | -10~70℃ |
| 零点温度影响 | ±0.005%RO/℃或以内 |
| 输出温度影响 | ±0.005%/℃或以内 |
电气特性
| 大激励电压 | 20V AC或DC |
|---|---|
| 推荐激励电压 | 1~10V AC或DC |
| 输入电阻 | 350Ω±0.5% |
| 输出电阻 | 350Ω±0.5% |
| 电缆 | 0.5mm2,4芯屏蔽氯丁橡胶铠装线5m,外径8.5mm,前端裸线 (屏蔽线没有与主机连接) |
机械特性
| 安全过载 | 150% |
|---|---|
| 固有频率 | 约12kHz |
| 重量 | 约10kg(不含电缆) |
| 保护等级 | IP67 (IEC 60529) |
| 选购件 | 荷载底座 CA 安装台座 CF |
|---|
外形尺寸图

备注
※该产品不能用于质量测量显示的用途
※本公司也可以制作符合CE认证的产品,具体请电询。