特点
●安装容易
●高精度・高可信性
●可制作TEDS对应产品
产品一览
全部显示
LCTD-A-100KN
100kN用

规格
性能
| 额定容量 | 100kN |
|---|---|
| 非线性 | ±0.03%RO或以内 |
| 滞后 | ±0.03%RO或以内 |
| 反复性 | 0.02%RO或以下 |
| 额定输出 | 2mV/V(4000×10-6应变量)±0.2% |
环境特性
| 允许使用温度范围 | -20~70℃ |
|---|---|
| 温度补偿范围 | -10~60℃ |
| 零点温度影响 | ±0.003%RO/℃或以内 |
| 输出温度影响 | ±0.003%/℃或以内 |
电气特性
| 大激励电压 | 20V DC |
|---|---|
| 推荐激励电压 | 1~10V DC |
| 输入电阻 | 350Ω±1.5% |
| 输出电阻 | 350Ω±1.5% |
| 电缆 | 0.3mm2, 4芯屏蔽氯丁橡胶铠装线10m, 外径约7.6mm, 前端裸线 (屏蔽线没有与主机连接) |
机械特性
| 安全过载 | 150% |
|---|---|
| 横向载荷界限 | 50% (不会引起机械性损坏的大载荷) |
| 重量 | 约18kg (不含电缆) |
| 材料 | 特殊钢 |
| 选购件 | 橡胶配件 RA01 连接箱 JB4LC-US |
|---|
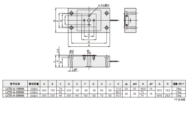
外形尺寸图

LCTD-A-200KN
200kN用

规格
性能
| 额定容量 | 200kN |
|---|---|
| 非线性 | ±0.03%RO或以内 |
| 滞后 | ±0.03%RO或以内 |
| 反复性 | 0.02%RO或以下 |
| 额定输出 | 2mV/V(4000×10-6应变量)±0.2% |
环境特性
| 允许使用温度范围 | -20~70℃ |
|---|---|
| 温度补偿范围 | -10~60℃ |
| 零点温度影响 | ±0.003%RO/℃或以内 |
| 输出温度影响 | ±0.003%/℃或以内 |
电气特性
| 大激励电压 | 20V DC |
|---|---|
| 推荐激励电压 | 1~10V DC |
| 输入电阻 | 350Ω±1.5% |
| 输出电阻 | 350Ω±1.5% |
| 电缆 | 0.3mm2, 4芯屏蔽氯丁橡胶铠装线10m, 外径约7.6mm, 前端裸线 (屏蔽线没有与主机连接) |
机械特性
| 安全过载 | 150% |
|---|---|
| 横向载荷界限 | 50% (不会引起机械性损坏的大载荷) |
| 重量 | 约23kg (不含电缆) |
| 材料 | 特殊钢 |
| 选购件 | 橡胶配件 RA01 连接箱 JB4LC-US |
|---|
外形尺寸图

LCTD-A-300KN
300kN用

规格
性能
| 额定容量 | 300kN |
|---|---|
| 非线性 | ±0.03%RO或以内 |
| 滞后 | ±0.03%RO或以内 |
| 反复性 | 0.02%RO或以下 |
| 额定输出 | 2mV/V(4000×10-6应变量)±0.2% |
环境特性
| 允许使用温度范围 | -20~70℃ |
|---|---|
| 温度补偿范围 | -10~60℃ |
| 零点温度影响 | ±0.003%RO/℃或以内 |
| 输出温度影响 | ±0.003%/℃或以内 |
电气特性
| 大激励电压 | 20V DC |
|---|---|
| 推荐激励电压 | 1~10V DC |
| 输入电阻 | 350Ω±1.5% |
| 输出电阻 | 350Ω±1.5% |
| 电缆 | 0.3mm2, 4芯屏蔽氯丁橡胶铠装线10m, 外径约7.6mm, 前端裸线 (屏蔽线没有与主机连接) |
机械特性
| 安全过载 | 150% |
|---|---|
| 横向载荷界限 | 50% (不会引起机械性损坏的大载荷) |
| 重量 | 约33kg (不含电缆) |
| 材料 | 特殊钢 |
| 选购件 | 橡胶配件 RA01 连接箱 JB4LC-US |
|---|
外形尺寸图

为了正确使用
(注1)不得在车辆上安装并使用。
(注2)不得用于频繁出现横向载荷的环境。
(注3)不得在倾斜面, 垂直面处安装并使用。