特点
●气密构造
●带机械式挡板(可在500%的状态下动作)
●可制作TEDS对应产品
产品一览
全部显示
LT-50KFL
500N用

规格
性能
| 额定容量 | 500N |
|---|---|
| 非线性 | ±0.5%RO或以内 |
| 滞后 | ±0.5%RO或以内 |
| 反复性 | 0.05%RO或以下 |
| 额定输出 | 1.5mV/V(3000×10-6应变量)±0.2% |
环境特性
| 允许使用温度范围 | -200~80℃(接头除外) |
|---|---|
| 温度补偿范围 | -196~30℃(接头除外) |
| 零点温度影响 | ±0.005%RO/℃或以内 |
| 输出温度影响 | ±0.01%/℃或以内 |
电气特性
| 大激励电压 | 20V AC或DC |
|---|---|
| 推荐激励电压 | 1~10V AC或DC |
| 输入电阻 | 350Ω±0.5% |
| 输出电阻 | 350Ω±0.5% |
| 电缆 | 0.3mm2, 4芯屏蔽氟化乙烯树脂线5m, 外径5mm, 前端插头 PRC03-12A10-7M (屏蔽线没有与主机连接) |
机械特性
| 安全过载 | 200% |
|---|---|
| 过载界限 | 500% |
| 固有频率 | 约1.5kHz |
| 重量 | 约1.7kg (不含电缆) |
| 选购件 | 旋转配件 RJ 球头节 TU 吊钩 THD 吊环 TRD |
|---|
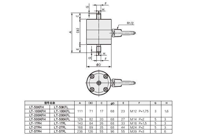
外形尺寸图

LT-100KFL
1kN用

规格
性能
| 额定容量 | 1kN |
|---|---|
| 非线性 | ±0.5%RO或以内 |
| 滞后 | ±0.5%RO或以内 |
| 反复性 | 0.05%RO或以下 |
| 额定输出 | 1.5mV/V(3000×10-6应变量)±0.2% |
环境特性
| 允许使用温度范围 | -200~80℃(接头除外) |
|---|---|
| 温度补偿范围 | -196~30℃(接头除外) |
| 零点温度影响 | ±0.005%RO/℃或以内 |
| 输出温度影响 | ±0.01%/℃或以内 |
电气特性
| 大激励电压 | 20V AC或DC |
|---|---|
| 推荐激励电压 | 1~10V AC或DC |
| 输入电阻 | 350Ω±0.5% |
| 输出电阻 | 350Ω±0.5% |
| 电缆 | 0.3mm2, 4芯屏蔽氟化乙烯树脂线5m, 外径5mm, 前端插头 PRC03-12A10-7M (屏蔽线没有与主机连接) |
机械特性
| 安全过载 | 200% |
|---|---|
| 过载界限 | 500% |
| 固有频率 | 约2.6kHz |
| 重量 | 约1.7kg (不含电缆) |
| 选购件 | 旋转配件 RJ 球头节 TU 吊钩 THD 吊环 TRD |
|---|
外形尺寸图

LT-200KFL
2kN用

规格
性能
| 额定容量 | 2kN |
|---|---|
| 非线性 | ±0.5%RO或以内 |
| 滞后 | ±0.5%RO或以内 |
| 反复性 | 0.05%RO或以下 |
| 额定输出 | 1.5mV/V(3000×10-6应变量)±0.2% |
环境特性
| 允许使用温度范围 | -200~80℃(接头除外) |
|---|---|
| 温度补偿范围 | -196~30℃(接头除外) |
| 零点温度影响 | ±0.005%RO/℃或以内 |
| 输出温度影响 | ±0.01%/℃或以内 |
电气特性
| 大激励电压 | 20V AC或DC |
|---|---|
| 推荐激励电压 | 1~10V AC或DC |
| 输入电阻 | 350Ω±0.5% |
| 输出电阻 | 350Ω±0.5% |
| 电缆 | 0.3mm2, 4芯屏蔽氟化乙烯树脂线5m, 外径5mm, 前端插头 PRC03-12A10-7M (屏蔽线没有与主机连接) |
机械特性
| 安全过载 | 200% |
|---|---|
| 过载界限 | 500% |
| 固有频率 | 约4.1kHz |
| 重量 | 约1.7kg (不含电缆) |
| 选购件 | 旋转配件 RJ 球头节 TU 吊钩 THD 吊环 TRD |
|---|
外形尺寸图

LT-500KFL
5kN用

规格
性能
| 额定容量 | 5kN |
|---|---|
| 非线性 | ±0.5%RO或以内 |
| 滞后 | ±0.5%RO或以内 |
| 反复性 | 0.05%RO或以下 |
| 额定输出 | 1.5mV/V(3000×10-6应变量)±0.2% |
环境特性
| 允许使用温度范围 | -200~80℃(接头除外) |
|---|---|
| 温度补偿范围 | -196~30℃(接头除外) |
| 零点温度影响 | ±0.005%RO/℃或以内 |
| 输出温度影响 | ±0.01%/℃或以内 |
电气特性
| 大激励电压 | 20V AC或DC |
|---|---|
| 推荐激励电压 | 1~10V AC或DC |
| 输入电阻 | 350Ω±0.5% |
| 输出电阻 | 350Ω±0.5% |
| 电缆 | 0.3mm2, 4芯屏蔽氟化乙烯树脂线5m, 外径5mm, 前端插头 PRC03-12A10-7M (屏蔽线没有与主机连接) |
机械特性
| 安全过载 | 200% |
|---|---|
| 过载界限 | 500% |
| 固有频率 | 约5.0kHz |
| 重量 | 约2.0kg (不含电缆) |
| 选购件 | 旋转配件 RJ 球头节 TU 吊钩 THD 吊环 TRD |
|---|
外形尺寸图

LT-1TFL
10kN用

规格
性能
| 额定容量 | 10kN |
|---|---|
| 非线性 | ±0.5%RO或以内 |
| 滞后 | ±0.5%RO或以内 |
| 反复性 | 0.05%RO或以下 |
| 额定输出 | 1.5mV/V(3000×10-6应变量)±0.2% |
环境特性
| 允许使用温度范围 | -200~80℃(接头除外) |
|---|---|
| 温度补偿范围 | -196~30℃(接头除外) |
| 零点温度影响 | ±0.005%RO/℃或以内 |
| 输出温度影响 | ±0.01%/℃或以内 |
电气特性
| 大激励电压 | 20V AC或DC |
|---|---|
| 推荐激励电压 | 1~10V AC或DC |
| 输入电阻 | 350Ω±0.5% |
| 输出电阻 | 350Ω±0.5% |
| 电缆 | 0.3mm2, 4芯屏蔽氟化乙烯树脂线5m, 外径5mm, 前端插头 PRC03-12A10-7M (屏蔽线没有与主机连接) |
机械特性
| 安全过载 | 200% |
|---|---|
| 过载界限 | 500% |
| 固有频率 | 约5.2kHz |
| 重量 | 约2.1kg (不含电缆) |
| 选购件 | 旋转配件 RJ 球头节 TU 吊钩 THD 吊环 TRD |
|---|
外形尺寸图

LT-2TFL
20kN用

规格
性能
| 额定容量 | 20kN |
|---|---|
| 非线性 | ±0.5%RO或以内 |
| 滞后 | ±0.5%RO或以内 |
| 反复性 | 0.05%RO或以下 |
| 额定输出 | 1.5mV/V(3000×10-6应变量)±0.2% |
环境特性
| 允许使用温度范围 | -200~80℃(接头除外) |
|---|---|
| 温度补偿范围 | -196~30℃(接头除外) |
| 零点温度影响 | ±0.005%RO/℃或以内 |
| 输出温度影响 | ±0.01%/℃或以内 |
电气特性
| 大激励电压 | 20V AC或DC |
|---|---|
| 推荐激励电压 | 1~10V AC或DC |
| 输入电阻 | 350Ω±0.5% |
| 输出电阻 | 350Ω±0.5% |
| 电缆 | 0.3mm2, 4芯屏蔽氟化乙烯树脂线5m, 外径5mm, 前端插头 PRC03-12A10-7M (屏蔽线没有与主机连接) |
机械特性
| 安全过载 | 200% |
|---|---|
| 过载界限 | 500% |
| 固有频率 | 约5.8kHz |
| 重量 | 约2.4kg (不含电缆) |
| 选购件 | 旋转配件 RJ 球头节 TU 吊钩 THD 吊环 TRD |
|---|
外形尺寸图

LT-5TFL
50kN用

规格
性能
| 额定容量 | 50kN |
|---|---|
| 非线性 | ±0.5%RO或以内 |
| 滞后 | ±0.5%RO或以内 |
| 反复性 | 0.05%RO或以下 |
| 额定输出 | 1.5mV/V(3000×10-6应变量)±0.2% |
环境特性
| 允许使用温度范围 | -200~80℃(接头除外) |
|---|---|
| 温度补偿范围 | -196~30℃(接头除外) |
| 零点温度影响 | ±0.005%RO/℃或以内 |
| 输出温度影响 | ±0.01%/℃或以内 |
电气特性
| 大激励电压 | 20V AC或DC |
|---|---|
| 推荐激励电压 | 1~10V AC或DC |
| 输入电阻 | 350Ω±0.5% |
| 输出电阻 | 350Ω±0.5% |
| 电缆 | 0.3mm2, 4芯屏蔽氟化乙烯树脂线5m, 外径5mm, 前端插头 PRC03-12A10-7M (屏蔽线没有与主机连接) |
机械特性
| 安全过载 | 200% |
|---|---|
| 过载界限 | 500% |
| 固有频率 | 约4.5kHz |
| 重量 | 约7.0kg (不含电缆) |
| 选购件 | 旋转配件 RJ 球头节 TU 吊钩 THD 吊环 TRD |
|---|
外形尺寸图

备注
该产品不能用于质量测量显示的用途