特点
●高可靠性
●高稳定性
●可制作TEDS对应产品
产品一览
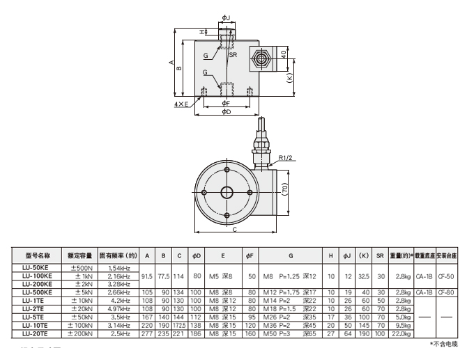
全部显示
LU-50KE
±500N用

规格
性能
| 额定容量 | ±500N |
|---|---|
| 非线性 | ±0.2%RO或以内 |
| 滞后 | ±0.1%RO或以内 |
| 反复性 | 0.1%RO或以下 |
| 额定输出 | 2mV/V(4000×10-6应变量)±0.2% |
环境特性
| 允许使用温度范围 | -30~85℃ |
|---|---|
| 温度补偿范围 | -10~70℃ |
| 零点温度影响 | ±0.005%RO/℃或以内 |
| 输出温度影响 | ±0.005%/℃或以内 |
电气特性
| 大激励电压 | 20V AC或DC |
|---|---|
| 推荐激励电压 | 1~10V AC或DC |
| 输入电阻 | 350Ω±0.5% |
| 输出电阻 | 350Ω±0.5% |
| 电缆 | 0.3mm2, 4芯屏蔽氯丁橡胶铠装线5m, 外径7.6mm, 前端插头 PRC03-12A10-7M (屏蔽线与主机连接) |
机械特性
| 安全过载 | 150% |
|---|---|
| 固有频率 | 约1.54kHz |
| 重量 | 约2.8kg (不含电缆) |
| 保护等级 | IP32 (IEC 60529) |
| 选购件 | 载荷底座 CA 安装台座 CF 球头节 RJ 旋转配件 TU 吊钩 THC 吊环 TRC |
|---|
外形尺寸图

LU-100KE
±1kN用

规格
性能
| 额定容量 | ±1kN |
|---|---|
| 非线性 | ±0.2%RO或以内 |
| 滞后 | ±0.1%RO或以内 |
| 反复性 | 0.1%RO或以下 |
| 额定输出 | 2mV/V(4000×10-6应变量)±0.2% |
环境特性
| 允许使用温度范围 | -30~85℃ |
|---|---|
| 温度补偿范围 | -10~70℃ |
| 零点温度影响 | ±0.005%RO/℃或以内 |
| 输出温度影响 | ±0.005%/℃或以内 |
电气特性
| 大激励电压 | 20V AC或DC |
|---|---|
| 推荐激励电压 | 1~10V AC或DC |
| 输入电阻 | 350Ω±0.5% |
| 输出电阻 | 350Ω±0.5% |
| 电缆 | 0.3mm2, 4芯屏蔽氯丁橡胶铠装线5m, 外径7.6mm, 前端插头 PRC03-12A10-7M (屏蔽线与主机连接) |
机械特性
| 安全过载 | 150% |
|---|---|
| 固有频率 | 约2.16kHz |
| 重量 | 约2.8kg (不含电缆) |
| 保护等级 | IP32 (IEC 60529) |
| 选购件 | 载荷底座 CA 安装台座 CF 球头节 RJ 旋转配件 TU 吊钩 THC 吊环 TRC |
|---|
外形尺寸图

LU-200KE
±2kN用

规格
性能
| 额定容量 | ±2kN |
|---|---|
| 非线性 | ±0.2%RO或以内 |
| 滞后 | ±0.1%RO或以内 |
| 反复性 | 0.1%RO或以下 |
| 额定输出 | 2mV/V(4000×10-6应变量)±0.2% |
环境特性
| 允许使用温度范围 | -30~85℃ |
|---|---|
| 温度补偿范围 | -10~70℃ |
| 零点温度影响 | ±0.005%RO/℃或以内 |
| 输出温度影响 | ±0.005%/℃或以内 |
电气特性
| 大激励电压 | 20V AC或DC |
|---|---|
| 推荐激励电压 | 1~10V AC或DC |
| 输入电阻 | 350Ω±0.5% |
| 输出电阻 | 350Ω±0.5% |
| 电缆 | 0.3mm2, 4芯屏蔽氯丁橡胶铠装线5m, 外径7.6mm, 前端插头 PRC03-12A10-7M (屏蔽线与主机连接) |
机械特性
| 安全过载 | 150% |
|---|---|
| 固有频率 | 约3.28kHz |
| 重量 | 约2.8kg (不含电缆) |
| 保护等级 | IP32 (IEC 60529) |
| 选购件 | 载荷底座 CA 安装台座 CF 球头节 RJ 旋转配件 TU 吊钩 THC 吊环 TRC |
|---|
外形尺寸图

LU-500KE
±5kN用

规格
性能
| 额定容量 | ±5kN |
|---|---|
| 非线性 | ±0.2%RO或以内 |
| 滞后 | ±0.1%RO或以内 |
| 反复性 | 0.1%RO或以下 |
| 额定输出 | 2mV/V(4000×10-6应变量)±0.2% |
环境特性
| 允许使用温度范围 | -30~85℃ |
|---|---|
| 温度补偿范围 | -10~70℃ |
| 零点温度影响 | ±0.005%RO/℃或以内 |
| 输出温度影响 | ±0.005%/℃或以内 |
电气特性
| 大激励电压 | 20V AC或DC |
|---|---|
| 推荐激励电压 | 1~10V AC或DC |
| 输入电阻 | 350Ω±0.5% |
| 输出电阻 | 350Ω±0.5% |
| 电缆 | 0.3mm2, 4芯屏蔽氯丁橡胶铠装线5m, 外径7.6mm, 前端插头 PRC03-12A10-7M (屏蔽线与主机连接) |
机械特性
| 安全过载 | 150% |
|---|---|
| 固有频率 | 约2.66kHz |
| 重量 | 约4.5kg (不含电缆) |
| 保护等级 | IP32 (IEC 60529) |
| 选购件 | 载荷底座 CA 安装台座 CF 球头节 RJ 旋转配件 TU 吊钩 THC 吊环 TRC |
|---|
外形尺寸图

LU-1TE
±10kN用

规格
性能
| 额定容量 | ±10kN |
|---|---|
| 非线性 | ±0.2%RO或以内 |
| 滞后 | ±0.1%RO或以内 |
| 反复性 | 0.1%RO或以下 |
| 额定输出 | 2mV/V(4000×10-6应变量)±0.2% |
环境特性
| 允许使用温度范围 | -30~85℃ |
|---|---|
| 温度补偿范围 | -10~70℃ |
| 零点温度影响 | ±0.005%RO/℃或以内 |
| 输出温度影响 | ±0.005%/℃或以内 |
电气特性
| 大激励电压 | 20V AC或DC |
|---|---|
| 推荐激励电压 | 1~10V AC或DC |
| 输入电阻 | 350Ω±0.5% |
| 输出电阻 | 350Ω±0.5% |
| 电缆 | 0.3mm2,4芯屏蔽氯丁橡胶铠装线5m,外径7.6mm,前端插头 (屏蔽线与主机连接) |
机械特性
| 安全过载 | 150% |
|---|---|
| 固有频率 | 约4.2kHz |
| 重量 | 约2.8kg (不含电缆) |
| 保护等级 | IP32 (IEC 60529) |
| 选购件 | 载荷底座 CA 安装台座 CF 球头节 RJ 旋转配件 TU 吊钩 THC 吊环 TRC |
|---|
外形尺寸图

LU-2TE
±20kN用

规格
性能
| 额定容量 | ±20kN |
|---|---|
| 非线性 | ±0.2%RO或以内 |
| 滞后 | ±0.1%RO或以内 |
| 反复性 | 0.1%RO或以下 |
| 额定输出 | 2mV/V(4000×10-6应变量)±0.2% |
环境特性
| 允许使用温度范围 | -30~85℃ |
|---|---|
| 温度补偿范围 | -10~70℃ |
| 零点温度影响 | ±0.005%RO/℃或以内 |
| 输出温度影响 | ±0.005%/℃或以内 |
电气特性
| 大激励电压 | 20V AC或DC |
|---|---|
| 推荐激励电压 | 1~10V AC或DC |
| 输入电阻 | 350Ω±0.5% |
| 输出电阻 | 350Ω±0.5% |
| 电缆 | 0.3mm2, 4芯屏蔽氯丁橡胶铠装线5m, 外径7.6mm, 前端插头 PRC03-12A10-7M (屏蔽线与主机连接) |
机械特性
| 安全过载 | 150% |
|---|---|
| 固有频率 | 约4.97kHz |
| 重量 | 约2.8kg (不含电缆) |
| 保护等级 | IP32 (IEC 60529) |
| 选购件 | 载荷底座 CA 安装台座 CF 球头节 RJ 旋转配件 TU 吊钩 THC 吊环 TRC |
|---|
外形尺寸图

LU-5TE
±50kN用

规格
性能
| 额定容量 | ±50kN |
|---|---|
| 非线性 | ±0.2%RO或以内 |
| 滞后 | ±0.1%RO或以内 |
| 反复性 | 0.1%RO或以下 |
| 额定输出 | 2mV/V(4000×10-6应变量)±0.2% |
环境特性
| 允许使用温度范围 | -30~85℃ |
|---|---|
| 温度补偿范围 | -10~70℃ |
| 零点温度影响 | ±0.005%RO/℃或以内 |
| 输出温度影响 | ±0.005%/℃或以内 |
电气特性
| 大激励电压 | 20V AC或DC |
|---|---|
| 推荐激励电压 | 1~10V AC或DC |
| 输入电阻 | 350Ω±0.5% |
| 输出电阻 | 350Ω±0.5% |
| 电缆 | 0.3mm2, 4芯屏蔽氯丁橡胶铠装线5m, 外径7.6mm, 前端插头 PRC03-12A10-7M (屏蔽线与主机连接) |
机械特性
| 安全过载 | 150% |
|---|---|
| 固有频率 | 约3.5kHz |
| 重量 | 约5.0kg (不含电缆) |
| 保护等级 | IP32 (IEC 60529) |
| 选购件 | 载荷底座 CA 安装台座 CF 球头节 RJ 旋转配件 TU 吊钩 THC 吊环 TRC |
|---|
外形尺寸图

LU-10TE
±100kN用

规格
性能
| 额定容量 | ±100kN |
|---|---|
| 非线性 | ±0.2%RO或以内 |
| 滞后 | ±0.1%RO或以内 |
| 反复性 | 0.1%RO或以下 |
| 额定输出 | 2mV/V(4000×10-6应变量)±0.2% |
环境特性
| 允许使用温度范围 | -30~85℃ |
|---|---|
| 温度补偿范围 | -10~70℃ |
| 零点温度影响 | ±0.005%RO/℃或以内 |
| 输出温度影响 | ±0.005%/℃或以内 |
电气特性
| 大激励电压 | 20V AC或DC |
|---|---|
| 推荐激励电压 | 1~10V AC或DC |
| 输入电阻 | 350Ω±0.5% |
| 输出电阻 | 350Ω±0.5% |
| 电缆 | 0.3mm2, 4芯屏蔽氯丁橡胶铠装线5m, 外径7.6mm, 前端插头 PRC03-12A10-7M (屏蔽线与主机连接) |
机械特性
| 安全过载 | 150% |
|---|---|
| 固有频率 | 约3.14kHz |
| 重量 | 约9.5kg (不含电缆) |
| 保护等级 | IP32 (IEC 60529) |
| 选购件 | 载荷底座 CA 安装台座 CF 球头节 RJ 旋转配件 TU 吊钩 THC 吊环 TRC |
|---|
外形尺寸图

LU-20TE
±200kN用

规格
性能
| 额定容量 | ±200kN |
|---|---|
| 非线性 | ±0.2%RO或以内 |
| 滞后 | ±0.1%RO或以内 |
| 反复性 | 0.1%RO或以下 |
| 额定输出 | 2mV/V(4000×10-6应变量)±0.2% |
环境特性
| 允许使用温度范围 | -30~85℃ |
|---|---|
| 温度补偿范围 | -10~70℃ |
| 零点温度影响 | ±0.005%RO/℃或以内 |
| 输出温度影响 | ±0.005%/℃或以内 |
电气特性
| 大激励电压 | 20V AC或DC |
|---|---|
| 推荐激励电压 | 1~10V AC或DC |
| 输入电阻 | 350Ω±0.5% |
| 输出电阻 | 350Ω±0.5% |
| 电缆 | 0.3mm2, 4芯屏蔽氯丁橡胶铠装线5m, 外径7.6mm, 前端插头 PRC03-12A10-7M (屏蔽线与主机连接) |
机械特性
| 安全过载 | 150% |
|---|---|
| 固有频率 | 约2.5kHz |
| 重量 | 约22.0kg (不含电缆) |
| 保护等级 | IP32 (IEC 60529) |
| 选购件 | 载荷底座 CA 安装台座 CF 球头节 RJ 旋转配件 TU 吊钩 THC 吊环 TRC |
|---|
外形尺寸图

备注
※该产品不能用于质量测量显示的用途
※本公司也可以制作符合CE认证的产品,具体请电询。