特点
●高稳定性
●可遥感检测
(要组合推荐的支持遥感的测量仪器)
产品一览
全部显示
LUH-50KF
±500N用

规格
性能
| 额定容量 | ±500N |
|---|---|
| 非线性 | ±0.02%RO或以内 |
| 滞后 | ±0.02%RO或以内 |
| 反复性 | 0.02%RO或以下 |
| 额定输出 | 2mV/V(4000×10-6应变量)±0.1% |
环境特性
| 允许使用温度范围 | -35~80℃ |
|---|---|
| 温度补偿范围 | -10~60℃ |
| 零点温度影响 | ±0.0015%RO/℃或以内 |
| 输出温度影响 | ±0.001%/℃或以内 |
电气特性
| 大激励电压 | 20V AC或DC |
|---|---|
| 推荐激励电压 | 1~10V AC或DC |
| 输入电阻 | 350Ω±0.5% |
| 输出电阻 | 350Ω±0.5% |
| 电缆 | 0.5mm2,6芯屏蔽氯丁橡胶铠装线5m,外径9.5mm,前端裸线 (屏蔽线没有与主机连接) |
机械特性
| 安全过载 | 150% |
|---|---|
| 固有频率 | 约1.4kHz |
| 重量 | 约2.1kg (不含电缆) |
| 其他 | 可安装防落下用挡板 (由客户自备) |
| 标配件 | 内六角止动螺丝M5长10mm×4, 内六角扳手(等边2.5mm)×1 |
|---|---|
| 选购件 | 载荷底座 CA 安装台座 CF 自由支架 ER-B 球头节 TU |
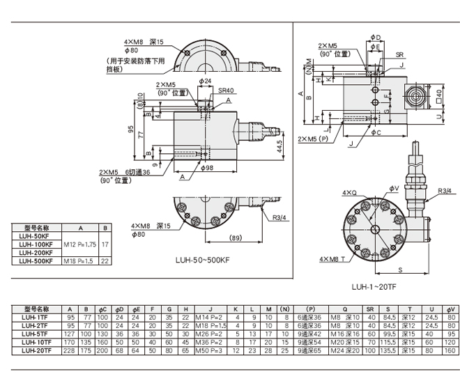
外形尺寸图

LUH-100KF
±1kN用

规格
性能
| 额定容量 | ±1kN |
|---|---|
| 非线性 | ±0.02%RO或以内 |
| 滞后 | ±0.02%RO或以内 |
| 反复性 | 0.02%RO或以下 |
| 额定输出 | 2mV/V(4000×10-6应变量)±0.1% |
环境特性
| 允许使用温度范围 | -35~80℃ |
|---|---|
| 温度补偿范围 | -10~60℃ |
| 零点温度影响 | ±0.0015%RO/℃或以内 |
| 输出温度影响 | ±0.001%/℃或以内 |
电气特性
| 大激励电压 | 20V AC或DC |
|---|---|
| 推荐激励电压 | 1~10V AC或DC |
| 输入电阻 | 350Ω±0.5% |
| 输出电阻 | 350Ω±0.5% |
| 电缆 | 0.5mm2,6芯屏蔽氯丁橡胶铠装线5m,外径9.5mm,前端裸线 (屏蔽线没有与主机连接) |
机械特性
| 安全过载 | 150% |
|---|---|
| 固有频率 | 约2.2kHz |
| 重量 | 约2.1kg (不含电缆) |
| 其他 | 可安装防落下用挡板 (由客户自备) |
| 标配件 | 内六角止动螺丝M5长10mm×4, 内六角扳手(等边2.5mm)×1 |
|---|---|
| 选购件 | 载荷底座 CA 安装台座 CF 自由支架 ER-B 球头节 TU |
外形尺寸图

LUH-200KF
±2kN用

规格
性能
| 额定容量 | ±2kN |
|---|---|
| 非线性 | ±0.02%RO或以内 |
| 滞后 | ±0.02%RO或以内 |
| 反复性 | 0.02%RO或以下 |
| 额定输出 | 2mV/V(4000×10-6应变量)±0.1% |
环境特性
| 允许使用温度范围 | -35~80℃ |
|---|---|
| 温度补偿范围 | -10~60℃ |
| 零点温度影响 | ±0.0015%RO/℃或以内 |
| 输出温度影响 | ±0.001%/℃或以内 |
电气特性
| 大激励电压 | 20V AC或DC |
|---|---|
| 推荐激励电压 | 1~10V AC或DC |
| 输入电阻 | 350Ω±0.5% |
| 输出电阻 | 350Ω±0.5% |
| 电缆 | 0.5mm2,6芯屏蔽氯丁橡胶铠装线5m,外径9.5mm,前端裸线 (屏蔽线没有与主机连接) |
机械特性
| 安全过载 | 150% |
|---|---|
| 固有频率 | 约3.1kHz |
| 重量 | 约2.1kg (不含电缆) |
| 其他 | 可安装防落下用挡板 (由客户自备) |
| 标配件 | 内六角止动螺丝M5长10mm×4, 内六角扳手(等边2.5mm)×1 |
|---|---|
| 选购件 | 载荷底座 CA 安装台座 CF 自由支架 ER-B 球头节 TU |
外形尺寸图

LUH-500KF
±5kN用

规格
性能
| 额定容量 | ±5kN |
|---|---|
| 非线性 | ±0.02%RO或以内 |
| 滞后 | ±0.02%RO或以内 |
| 反复性 | 0.02%RO或以下 |
| 额定输出 | 2mV/V(4000×10-6应变量)±0.1% |
环境特性
| 允许使用温度范围 | -35~80℃ |
|---|---|
| 温度补偿范围 | -10~60℃ |
| 零点温度影响 | ±0.0015%RO/℃或以内 |
| 输出温度影响 | ±0.001%/℃或以内 |
电气特性
| 大激励电压 | 20V AC或DC |
|---|---|
| 推荐激励电压 | 1~10V AC或DC |
| 输入电阻 | 350Ω±0.5% |
| 输出电阻 | 350Ω±0.5% |
| 电缆 | 0.5mm2,6芯屏蔽氯丁橡胶铠装线5m,外径9.5mm,前端裸线 (屏蔽线没有与主机连接) |
机械特性
| 安全过载 | 150% |
|---|---|
| 固有频率 | 约4.6kHz |
| 重量 | 约2.1kg (不含电缆) |
| 其他 | 可安装防落下用挡板 (由客户自备) |
| 标配件 | 内六角止动螺丝M5长10mm×4, 内六角扳手(等边2.5mm)×1 |
|---|---|
| 选购件 | 载荷底座 CA 安装台座 CF 自由支架 ER-B 球头节 TU |
外形尺寸图

LUH-1TF
±10kN用

规格
性能
| 额定容量 | ±10kN |
|---|---|
| 非线性 | ±0.02%RO或以内 |
| 滞后 | ±0.02%RO或以内 |
| 反复性 | 0.02%RO或以下 |
| 额定输出 | 2mV/V(4000×10-6应变量)±0.1% |
环境特性
| 允许使用温度范围 | -35~80℃ |
|---|---|
| 温度补偿范围 | -10~60℃ |
| 零点温度影响 | ±0.0015%RO/℃或以内 |
| 输出温度影响 | ±0.001%/℃或以内 |
电气特性
| 大激励电压 | 20V AC或DC |
|---|---|
| 推荐激励电压 | 1~10V AC或DC |
| 输入电阻 | 350Ω±0.5% |
| 输出电阻 | 350Ω±0.5% |
| 电缆 | 0.5mm2,6芯屏蔽氯丁橡胶铠装线5m,外径9.5mm,前端裸线 (屏蔽线没有与主机连接) |
机械特性
| 安全过载 | 150% |
|---|---|
| 固有频率 | 约4.2kHz |
| 重量 | 约4kg (不含电缆) |
| 其他 | 可安装防落下用挡板 (由客户自备) |
| 标配件 | 内六角止动螺丝M5长10mm×4, 内六角扳手(等边2.5mm)×1 |
|---|---|
| 选购件 | 载荷底座 CA 安装台座 CF 自由支架 ER-B 球头节 TU |
外形尺寸图

LUH-2TF
±20kN用

规格
性能
| 额定容量 | ±20kN |
|---|---|
| 非线性 | ±0.02%RO或以内 |
| 滞后 | ±0.02%RO或以内 |
| 反复性 | 0.02%RO或以下 |
| 额定输出 | 2mV/V(4000×10-6应变量)±0.1% |
环境特性
| 允许使用温度范围 | -35~80℃ |
|---|---|
| 温度补偿范围 | -10~60℃ |
| 零点温度影响 | ±0.0015%RO/℃或以内 |
| 输出温度影响 | ±0.001%/℃或以内 |
电气特性
| 大激励电压 | 20V AC或DC |
|---|---|
| 推荐激励电压 | 1~10V AC或DC |
| 输入电阻 | 350Ω±0.5% |
| 输出电阻 | 350Ω±0.5% |
| 电缆 | 0.5mm2,6芯屏蔽氯丁橡胶铠装线5m,外径9.5mm,前端裸线 (屏蔽线没有与主机连接) |
机械特性
| 安全过载 | 150% |
|---|---|
| 固有频率 | 约6kHz |
| 重量 | 约4kg (不含电缆) |
| 其他 | 可安装防落下用挡板 (由客户自备) |
| 标配件 | 内六角止动螺丝M5长10mm×4, 内六角扳手(等边2.5mm)×1 |
|---|---|
| 选购件 | 载荷底座 CA 安装台座 CF 自由支架 ER-B 球头节 TU |
外形尺寸图

LUH-5TF
±50kN用

规格
性能
| 额定容量 | ±50kN |
|---|---|
| 非线性 | ±0.02%RO或以内 |
| 滞后 | ±0.02%RO或以内 |
| 反复性 | 0.02%RO或以下 |
| 额定输出 | 2mV/V(4000×10-6应变量)±0.1% |
环境特性
| 允许使用温度范围 | -35~80℃ |
|---|---|
| 温度补偿范围 | -10~60℃ |
| 零点温度影响 | ±0.0015%RO/℃或以内 |
| 输出温度影响 | ±0.001%/℃或以内 |
电气特性
| 大激励电压 | 20V AC或DC |
|---|---|
| 推荐激励电压 | 1~10V AC或DC |
| 输入电阻 | 350Ω±0.5% |
| 输出电阻 | 350Ω±0.5% |
| 电缆 | 0.5mm2,6芯屏蔽氯丁橡胶铠装线5m,外径9.5mm,前端裸线 (屏蔽线没有与主机连接) |
机械特性
| 安全过载 | 150% |
|---|---|
| 固有频率 | 约5.2kHz |
| 重量 | 约9kg (不含电缆) |
| 其他 | 可安装防落下用挡板 (由客户自备) |
| 标配件 | 内六角止动螺丝M5长10mm×4, 内六角扳手(等边2.5mm)×1 |
|---|---|
| 选购件 | 载荷底座 CA 安装台座 CF 自由支架 ER-B 球头节 TU |
外形尺寸图

LUH-10TF
±100kN用

规格
性能
| 额定容量 | ±100kN |
|---|---|
| 非线性 | ±0.02%RO或以内 |
| 滞后 | ±0.02%RO或以内 |
| 反复性 | 0.02%RO或以下 |
| 额定输出 | 2mV/V(4000×10-6应变量)±0.1% |
环境特性
| 允许使用温度范围 | -35~80℃ |
|---|---|
| 温度补偿范围 | -10~60℃ |
| 零点温度影响 | ±0.0015%RO/℃或以内 |
| 输出温度影响 | ±0.001%/℃或以内 |
电气特性
| 大激励电压 | 20V AC或DC |
|---|---|
| 推荐激励电压 | 1~10V AC或DC |
| 输入电阻 | 350Ω±0.5% |
| 输出电阻 | 350Ω±0.5% |
| 电缆 | 0.5mm2,6芯屏蔽氯丁橡胶铠装线5m,外径9.5mm,前端裸线 (屏蔽线没有与主机连接) |
机械特性
| 安全过载 | 150% |
|---|---|
| 固有频率 | 约4.5kHz |
| 重量 | 约18kg (不含电缆) |
| 其他 | 可安装防落下用挡板 (由客户自备) |
| 标配件 | 内六角止动螺丝M5长30mm×4, 内六角扳手(等边2.5mm)×1 |
|---|---|
| 选购件 | 载荷底座 CA 安装台座 CF 自由支架 ER-B 球头节 TU |
外形尺寸图

LUH-20TF
±200kN用

规格
性能
| 额定容量 | ±200kN |
|---|---|
| 非线性 | ±0.02%RO或以内 |
| 滞后 | ±0.02%RO或以内 |
| 反复性 | 0.02%RO或以下 |
| 额定输出 | 2mV/V(4000×10-6应变量)±0.1% |
环境特性
| 允许使用温度范围 | -35~80℃ |
|---|---|
| 温度补偿范围 | -10~60℃ |
| 零点温度影响 | ±0.0015%RO/℃或以内 |
| 输出温度影响 | ±0.001%/℃或以内 |
电气特性
| 大激励电压 | 20V AC或DC |
|---|---|
| 推荐激励电压 | 1~10V AC或DC |
| 输入电阻 | 350Ω±0.5% |
| 输出电阻 | 350Ω±0.5% |
| 电缆 | 0.5mm2,6芯屏蔽氯丁橡胶铠装线5m,外径9.5mm,前端裸线 (屏蔽线没有与主机连接) |
机械特性
| 安全过载 | 150% |
|---|---|
| 固有频率 | 约3.7kHz |
| 重量 | 约38kg (不含电缆) |
| 其他 | 可安装防落下用挡板 (由客户自备) |
| 标配件 | 内六角止动螺丝M5长30mm×4, 内六角扳手(等边2.5mm)×1 |
|---|---|
| 选购件 | 载荷底座 CA 安装台座 CF 自由支架 ER-B 球头节 TU |
外形尺寸图

备注
※该产品不能用于质量测量显示的用途
测量拉伸载重时需要球头节。
※本公司也可以制作符合CE认证的产品,具体请电询。