特点
●抗干扰性强
●高可信性
●安全过载高(200%)
产品一览
全部显示
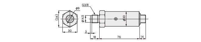
PAV-10KU
接头式1MPa用

规格
性能
| 额定容量 | 1MPa |
|---|---|
| 非线性 | ±0.2%RO或以内 |
| 滞后 | ±0.2%RO或以内 |
| 输出電圧 | 0~5V |
环境特性
| 允许使用温度范围 | -20~80℃ |
|---|---|
| 温度补偿范围 | -20~70℃ |
| 零点温度影响 | ±0.03%RO/℃或以内 |
| 输出温度影响 | ±0.02%/℃或以内 |
电气特性
| SN比 | 50dB或以上 |
|---|---|
| 负载电阻 | 1kΩ或以上 |
| 放大器的截止频率 | 1kHz(截止点的振幅比-3±1dB) |
| 电源 | DC12V(10.5~15V),消耗电流30mA或以下 |
| 电缆 | 0.3mm2,4芯屏蔽氯丁橡胶铠装线3m,外径7.6mm, 传感器一侧:防水插头 1108-12A10-7F 测量器一侧:前端裸线 (屏蔽线没有与主机连接) |
| 电缆引出方式 | 接头式 |
机械特性
| 安全过载 | 200% |
|---|---|
| 重量 | 约200g(不含电缆) |
| 材料 | 主机为SUS金属质地,液体接触部位为SUS630 |
| 保护等级 | IP52 (IEC 60529) |
| 安装螺纹 | G3/8 外螺纹 |
| 标配件 | 垫片(软铜) |
|---|
外形尺寸图

PAV-50KU
接头式5MPa用

规格
性能
| 额定容量 | 5MPa |
|---|---|
| 非线性 | ±0.2%RO或以内 |
| 滞后 | ±0.2%RO或以内 |
| 输出電圧 | 0~5V |
环境特性
| 允许使用温度范围 | -20~80℃ |
|---|---|
| 温度补偿范围 | -20~70℃ |
| 零点温度影响 | ±0.03%RO/℃或以内 |
| 输出温度影响 | ±0.02%/℃或以内 |
电气特性
| SN比 | 50dB或以上 |
|---|---|
| 负载电阻 | 1kΩ或以上 |
| 放大器的截止频率 | 1kHz(截止点的振幅比-3±1dB) |
| 电源 | DC12V(10.5~15V),消耗电流30mA或以下 |
| 电缆 | 0.3mm2,4芯屏蔽氯丁橡胶铠装线3m,外径7.6mm, 传感器一侧:防水插头 1108-12A10-7F 测量器一侧:前端裸线 (屏蔽线没有与主机连接) |
| 电缆引出方式 | 接头式 |
机械特性
| 安全过载 | 200% |
|---|---|
| 重量 | 约200g(不含电缆) |
| 材料 | 主机为SUS金属质地,液体接触部位为SUS630 |
| 保护等级 | IP52 (IEC 60529) |
| 安装螺纹 | G3/8 外螺纹 |
| 标配件 | 垫片(软铜) |
|---|
外形尺寸图

PAV-100KU
接头式10MPa用

规格
性能
| 额定容量 | 10MPa |
|---|---|
| 非线性 | ±0.2%RO或以内 |
| 滞后 | ±0.2%RO或以内 |
| 输出電圧 | 0~5V |
环境特性
| 允许使用温度范围 | -20~80℃ |
|---|---|
| 温度补偿范围 | -20~70℃ |
| 零点温度影响 | ±0.03%RO/℃或以内 |
| 输出温度影响 | ±0.02%/℃或以内 |
电气特性
| SN比 | 50dB或以上 |
|---|---|
| 负载电阻 | 1kΩ或以上 |
| 放大器的截止频率 | 1kHz(截止点的振幅比-3±1dB) |
| 电源 | DC12V(10.5~15V),消耗电流30mA或以下 |
| 电缆 | 0.3mm2,4芯屏蔽氯丁橡胶铠装线3m,外径7.6mm, 传感器一侧:防水插头 1108-12A10-7F 测量器一侧:前端裸线 (屏蔽线没有与主机连接) |
| 电缆引出方式 | 接头式 |
机械特性
| 安全过载 | 200% |
|---|---|
| 重量 | 约200g(不含电缆) |
| 材料 | 主机为SUS金属质地,液体接触部位为SUS630 |
| 保护等级 | IP52 (IEC 60529) |
| 安装螺纹 | G3/8 外螺纹 |
| 标配件 | 垫片(软铜) |
|---|
外形尺寸图

PAV-200KU
接头式20MPa用

规格
性能
| 额定容量 | 20MPa |
|---|---|
| 非线性 | ±0.2%RO或以内 |
| 滞后 | ±0.2%RO或以内 |
| 输出電圧 | 0~5V |
环境特性
| 允许使用温度范围 | -20~80℃ |
|---|---|
| 温度补偿范围 | -20~70℃ |
| 零点温度影响 | ±0.03%RO/℃或以内 |
| 输出温度影响 | ±0.02%/℃或以内 |
电气特性
| SN比 | 50dB或以上 |
|---|---|
| 负载电阻 | 1kΩ或以上 |
| 放大器的截止频率 | 1kHz(截止点的振幅比-3±1dB) |
| 电源 | DC12V(10.5~15V),消耗电流30mA或以下 |
| 电缆 | 0.3mm2,4芯屏蔽氯丁橡胶铠装线3m,外径7.6mm, 传感器一侧:防水插头 1108-12A10-7F 测量器一侧:前端裸线 (屏蔽线没有与主机连接) |
| 电缆引出方式 | 接头式 |
机械特性
| 安全过载 | 200% |
|---|---|
| 重量 | 约200g(不含电缆) |
| 材料 | 主机为SUS金属质地,液体接触部位为SUS630 |
| 保护等级 | IP52 (IEC 60529) |
| 安装螺纹 | G3/8 外螺纹 |
| 标配件 | 垫片(软铜) |
|---|
外形尺寸图

PAV-300KU
接头式30MPa用

规格
性能
| 额定容量 | 30MPa |
|---|---|
| 非线性 | ±0.2%RO或以内 |
| 滞后 | ±0.2%RO或以内 |
| 输出電圧 | 0~5V |
环境特性
| 允许使用温度范围 | -20~80℃ |
|---|---|
| 温度补偿范围 | -20~70℃ |
| 零点温度影响 | ±0.03%RO/℃或以内 |
| 输出温度影响 | ±0.02%/℃或以内 |
电气特性
| SN比 | 50dB或以上 |
|---|---|
| 负载电阻 | 1kΩ或以上 |
| 放大器的截止频率 | 1kHz(截止点的振幅比-3±1dB) |
| 电源 | DC12V(10.5~15V),消耗电流30mA或以下 |
| 电缆 | 0.3mm2,4芯屏蔽氯丁橡胶铠装线3m,外径7.6mm, 传感器一侧:防水插头 1108-12A10-7F 测量器一侧:前端裸线 (屏蔽线没有与主机连接) |
| 电缆引出方式 | 接头式 |
机械特性
| 安全过载 | 200% |
|---|---|
| 重量 | 约200g(不含电缆) |
| 材料 | 主机为SUS金属质地,液体接触部位为SUS630 |
| 保护等级 | IP52 (IEC 60529) |
| 安装螺纹 | G3/8 外螺纹 |
| 标配件 | 垫片(软铜) |
|---|
外形尺寸图

PAV-500KU
接头式50MPa用

规格
性能
| 额定容量 | 50MPa |
|---|---|
| 非线性 | ±0.2%RO或以内 |
| 滞后 | ±0.2%RO或以内 |
| 输出電圧 | 0~5V |
环境特性
| 允许使用温度范围 | -20~80℃ |
|---|---|
| 温度补偿范围 | -20~70℃ |
| 零点温度影响 | ±0.03%RO/℃或以内 |
| 输出温度影响 | ±0.02%/℃或以内 |
电气特性
| SN比 | 50dB或以上 |
|---|---|
| 负载电阻 | 1kΩ或以上 |
| 放大器的截止频率 | 1kHz(截止点的振幅比-3±1dB) |
| 电源 | DC12V(10.5~15V),消耗电流30mA或以下 |
| 电缆 | 0.3mm2,4芯屏蔽氯丁橡胶铠装线3m,外径7.6mm, 传感器一侧:防水插头 1108-12A10-7F 测量器一侧:前端裸线 (屏蔽线没有与主机连接) |
| 电缆引出方式 | 接头式 |
机械特性
| 安全过载 | 200% |
|---|---|
| 重量 | 约200g(不含电缆) |
| 材料 | 主机为SUS金属质地,液体接触部位为SUS630 |
| 保护等级 | IP52 (IEC 60529) |
| 安装螺纹 | G3/8 外螺纹 |
| 标配件 | 垫片(软铜) |
|---|
外形尺寸图

推荐配套使用器材

动态测量
EDX-200A组合式数据记录器

动态测量
EDX-100A组合式数据记录器

动态测量
EDX-5000A存储记录器/分析仪器