特点
●具有完善的磁屏蔽, 不易受外部电气的影响
●相对于温度变化具有稳定性
●芯体和主体不接触, 耐久性强
●测量器推荐使用载波型动态应变放大器DPM型
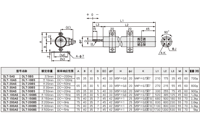
产品一览
全部显示
DLT-5AS
±5mm用

规格
性能
| 额定容量 | ±5mm |
|---|---|
| 非线性 | ±0.5%RO或以内 |
| 滞后 | ±0.5%RO或以内 |
| 额定输出 | 约2mV/V(4000×10-6应变量) |
环境特性
| 允许使用温度范围 | -15~75℃(无结露现象) |
|---|---|
| 温度补偿范围 | -10~60℃(无结露现象) |
| 零点温度影响 | ±0.01%RO/℃或以内 |
| 输出温度影响 | ±0.01%/℃或以内 |
电气特性
| 检测方式 | 电感式 |
|---|---|
| 大激励电压 | 5V AC(载波频率5kHz) |
| 推荐激励电压 | 2V AC(载波频率5kHz) |
| 输入电阻 | 120Ω±1% |
| 输出电阻 | 120Ω±1% |
| 电缆 | 0.3mm2,4芯屏蔽氯丁橡胶铠装线5m,外径7.6mm,前端插头 PRC03-12A10-7M10 |
机械特性
| 响应频率范围 | DC~200Hz |
|---|---|
| 重量 | 约700g |
外形尺寸图

DLT-10AS
±10mm用

规格
性能
| 额定容量 | ±10mm |
|---|---|
| 非线性 | ±0.5%RO或以内 |
| 滞后 | ±0.5%RO或以内 |
| 额定输出 | 约2mV/V(4000×10-6应变量) |
环境特性
| 允许使用温度范围 | -15~75℃(无结露现象) |
|---|---|
| 温度补偿范围 | -10~60℃(无结露现象) |
| 零点温度影响 | ±0.01%RO/℃或以内 |
| 输出温度影响 | ±0.01%/℃或以内 |
电气特性
| 检测方式 | 电感式 |
|---|---|
| 大激励电压 | 5V AC(载波频率5kHz) |
| 推荐激励电压 | 2V AC(载波频率5kHz) |
| 输入电阻 | 120Ω±1% |
| 输出电阻 | 120Ω±1% |
| 电缆 | 0.3mm2,4芯屏蔽氯丁橡胶铠装线5m,外径7.6mm,前端插头 PRC03-12A10-7M10 |
机械特性
| 响应频率范围 | DC~100Hz |
|---|---|
| 重量 | 约700g |
外形尺寸图

DLT-20AS
±20mm用

规格
性能
| 额定容量 | ±20mm |
|---|---|
| 非线性 | ±0.5%RO或以内 |
| 滞后 | ±0.5%RO或以内 |
| 额定输出 | 约2mV/V(4000×10-6应变量) |
环境特性
| 允许使用温度范围 | -15~75℃(无结露现象) |
|---|---|
| 温度补偿范围 | -10~60℃(无结露现象) |
| 零点温度影响 | ±0.01%RO/℃或以内 |
| 输出温度影响 | ±0.01%/℃或以内 |
电气特性
| 检测方式 | 电感式 |
|---|---|
| 大激励电压 | 5V AC(载波频率5kHz) |
| 推荐激励电压 | 2V AC(载波频率5kHz) |
| 输入电阻 | 120Ω±1% |
| 输出电阻 | 120Ω±1% |
| 电缆 | 0.3mm2,4芯屏蔽氯丁橡胶铠装线5m,外径7.6mm,前端插头 PRC03-12A10-7M10 |
机械特性
| 响应频率范围 | DC~50Hz |
|---|---|
| 重量 | 约800g |
外形尺寸图

DLT-30AS
±30mm用

规格
性能
| 额定容量 | ±30mm |
|---|---|
| 非线性 | ±0.5%RO或以内 |
| 滞后 | ±0.5%RO或以内 |
| 额定输出 | 约2mV/V(4000×10-6应变量) |
环境特性
| 允许使用温度范围 | -15~75℃(无结露现象) |
|---|---|
| 温度补偿范围 | -10~60℃(无结露现象) |
| 零点温度影响 | ±0.01%RO/℃或以内 |
| 输出温度影响 | ±0.01%/℃或以内 |
电气特性
| 检测方式 | 电感式 |
|---|---|
| 大激励电压 | 5V AC(载波频率5kHz) |
| 推荐激励电压 | 2V AC(载波频率5kHz) |
| 输入电阻 | 120Ω±1% |
| 输出电阻 | 120Ω±1% |
| 电缆 | 0.3mm2,4芯屏蔽氯丁橡胶铠装线5m,外径7.6mm,前端插头 PRC03-12A10-7M10 |
机械特性
| 响应频率范围 | DC~30Hz |
|---|---|
| 重量 | 约800g |
外形尺寸图

DLT-50AS
±50mm用

规格
性能
| 额定容量 | ±50mm |
|---|---|
| 非线性 | ±0.5%RO或以内 |
| 滞后 | ±0.5%RO或以内 |
| 额定输出 | 约2mV/V(4000×10-6应变量) |
环境特性
| 允许使用温度范围 | -15~75℃(无结露现象) |
|---|---|
| 温度补偿范围 | -10~60℃(无结露现象) |
| 零点温度影响 | ±0.01%RO/℃或以内 |
| 输出温度影响 | ±0.01%/℃或以内 |
电气特性
| 检测方式 | 电感式 |
|---|---|
| 大激励电压 | 5V AC(载波频率5kHz) |
| 推荐激励电压 | 2V AC(载波频率5kHz) |
| 输入电阻 | 120Ω±1% |
| 输出电阻 | 120Ω±1% |
| 电缆 | 0.3mm2,4芯屏蔽氯丁橡胶铠装线5m,外径7.6mm,前端插头 PRC03-12A10-7M10 |
机械特性
| 响应频率范围 | DC~20Hz |
|---|---|
| 重量 | 约900g |
外形尺寸图

DLT-100AS
±100mm用

规格
性能
| 额定容量 | ±100mm |
|---|---|
| 非线性 | ±0.5%RO或以内 |
| 滞后 | ±0.5%RO或以内 |
| 额定输出 | 约2mV/V(4000×10-6应变量) |
环境特性
| 允许使用温度范围 | -15~75℃(无结露现象) |
|---|---|
| 温度补偿范围 | -10~60℃(无结露现象) |
| 零点温度影响 | ±0.01%RO/℃或以内 |
| 输出温度影响 | ±0.01%/℃或以内 |
电气特性
| 检测方式 | 电感式 |
|---|---|
| 大激励电压 | 5V AC(载波频率5kHz) |
| 推荐激励电压 | 2V AC(载波频率5kHz) |
| 输入电阻 | 120Ω±1% |
| 输出电阻 | 120Ω±1% |
| 电缆 | 0.3mm2,4芯屏蔽氯丁橡胶铠装线5m,外径7.6mm,前端插头 PRC03-12A10-7M10 |
机械特性
| 响应频率范围 | DC~15Hz |
|---|---|
| 重量 | 约1.2kg |
外形尺寸图

DLT-150AS
±150mm用

规格
性能
| 额定容量 | ±150mm |
|---|---|
| 非线性 | ±0.5%RO或以内 |
| 滞后 | ±0.5%RO或以内 |
| 额定输出 | 约2mV/V(4000×10-6应变量) |
环境特性
| 允许使用温度范围 | -15~75℃(无结露现象) |
|---|---|
| 温度补偿范围 | -10~60℃(无结露现象) |
| 零点温度影响 | ±0.01%RO/℃或以内 |
| 输出温度影响 | ±0.01%/℃或以内 |
电气特性
| 检测方式 | 电感式 |
|---|---|
| 大激励电压 | 5V AC(载波频率5kHz) |
| 推荐激励电压 | 2V AC(载波频率5kHz) |
| 输入电阻 | 120Ω±1% |
| 输出电阻 | 120Ω±1% |
| 电缆 | 0.3mm2,4芯屏蔽氯丁橡胶铠装线5m,外径7.6mm,前端插头 PRC03-12A10-7M10 |
机械特性
| 响应频率范围 | DC~10Hz |
|---|---|
| 重量 | 约2.3kg |
外形尺寸图

DLT-200AS
±200mm用

规格
性能
| 额定容量 | ±200mm |
|---|---|
| 非线性 | ±0.5%RO或以内 |
| 滞后 | ±0.5%RO或以内 |
| 额定输出 | 约2mV/V(4000×10-6应变量) |
环境特性
| 允许使用温度范围 | -15~75℃(无结露现象) |
|---|---|
| 温度补偿范围 | -10~60℃(无结露现象) |
| 零点温度影响 | ±0.01%RO/℃或以内 |
| 输出温度影响 | ±0.01%/℃或以内 |
电气特性
| 检测方式 | 电感式 |
|---|---|
| 大激励电压 | 5V AC(载波频率5kHz) |
| 推荐激励电压 | 2V AC(载波频率5kHz) |
| 输入电阻 | 120Ω±1% |
| 输出电阻 | 120Ω±1% |
| 电缆 | 0.3mm2,4芯屏蔽氯丁橡胶铠装线5m,外径7.6mm,前端插头 PRC03-12A10-7M10 |
机械特性
| 响应频率范围 | DC~9Hz |
|---|---|
| 重量 | 约2.6kg |
外形尺寸图

DLT-300AS
±300mm用

规格
性能
| 额定容量 | ±300mm |
|---|---|
| 非线性 | ±0.5%RO或以内 |
| 滞后 | ±0.5%RO或以内 |
| 额定输出 | 约2mV/V(4000×10-6应变量) |
环境特性
| 允许使用温度范围 | -15~75℃(无结露现象) |
|---|---|
| 温度补偿范围 | -10~60℃(无结露现象) |
| 零点温度影响 | ±0.01%RO/℃或以内 |
| 输出温度影响 | ±0.01%/℃或以内 |
电气特性
| 检测方式 | 电感式 |
|---|---|
| 大激励电压 | 5V AC(载波频率5kHz) |
| 推荐激励电压 | 2V AC(载波频率5kHz) |
| 输入电阻 | 120Ω±1% |
| 输出电阻 | 120Ω±1% |
| 电缆 | 0.3mm2,4芯屏蔽氯丁橡胶铠装线5m,外径7.6mm,前端插头 PRC03-12A10-7M10 |
机械特性
| 响应频率范围 | DC~7Hz |
|---|---|
| 重量 | 约3.3kg |
外形尺寸图

为了正确使用
●安装方法有使用附带安装配件的方法和使用外壳安装螺纹的方法。
●由于电源的载波频率会影响输出电压和特性,所以不能使用电桥电源为5kHz以外的应变测量器。(也不能使用直流电桥电源型测量器。)
●本位移计是用于载波方式的应变测量器,因此载波频率会影响到输出电压及特性。本公司采用的是电桥电源为5kHz作为基准仪器来调整。建议进行与动应变测量器组合校准来使用。
●使用动态应变放大器DPM-911B和 DPM-951A时,请把固件至少升级到下述版本。
DPM-911B : Ver.01.24
DPM-951A : Ver.02.24
※固件版本在DPM通电时显示。