特点
●高灵敏度、高精度
●出众的温度特性
●配备有圆锥型过滤器(可变更为扁平型过滤器)
产品一览
全部显示
BPG-A-200KPS
200kPa用

规格
性能
| 额定容量 | 200kPa |
|---|---|
| 非线性 | ±0.5%RO或以内 |
| 滞后 | ±0.5%RO或以内 |
| 额定输出 | 2mV/V(4000×10-6应变量)或以上 |
环境特性
| 允许使用温度范围 | -20~70℃(无冻结现象) |
|---|---|
| 温度补偿范围 | -10~60℃(无冻结现象) |
| 零点温度影响 | ±0.02%RO/℃或以内 |
| 输出温度影响 | ±0.02%/℃或以内 |
电气特性
| 大激励电压 | 10V AC或DC |
|---|---|
| 输入电阻 | 350Ω±1% |
| 输出电阻 | 350Ω±1% |
| 电缆 | 0.5mm2,4芯屏蔽氯丁橡胶铠装线1m,外径10mm,前端裸线 (屏蔽线没有与主机连接) |
机械特性
| 安全过载 | 120% |
|---|---|
| 外装 | 全不锈钢质地 (过滤部为黄铜烧结金属质地,仅10μm扁平型过滤器为不锈钢材质) |
| 耐水压 | 240kPa |
| 保护等级 | IP68(安全过载)(IEC 60529) |
| 重量 | 约800g |
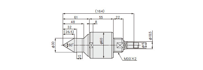
外形尺寸图

BPG-A-500KPS
500kPa用

规格
性能
| 额定容量 | 500kPa |
|---|---|
| 非线性 | ±0.5%RO或以内 |
| 滞后 | ±0.5%RO或以内 |
| 额定输出 | 2mV/V(4000×10-6应变量)或以上 |
环境特性
| 允许使用温度范围 | -20~70℃(无冻结现象) |
|---|---|
| 温度补偿范围 | -10~60℃(无冻结现象) |
| 零点温度影响 | ±0.02%RO/℃或以内 |
| 输出温度影响 | ±0.02%/℃或以内 |
电气特性
| 大激励电压 | 10V AC或DC |
|---|---|
| 输入电阻 | 350Ω±1% |
| 输出电阻 | 350Ω±1% |
| 电缆 | 0.5mm2,4芯屏蔽氯丁橡胶铠装线1m,外径10mm,前端裸线 (屏蔽线没有与主机连接) |
机械特性
| 安全过载 | 120% |
|---|---|
| 外装 | 全不锈钢质地 (过滤部为黄铜烧结金属质地,仅10μm扁平型过滤器为不锈钢材质) |
| 耐水压 | 600kPa |
| 保护等级 | IP68(安全过载)(IEC 60529) |
| 重量 | 约800g |
外形尺寸图
