产品一览
全部显示
BPT-A-80KPS
-80kPa用

规格
性能
| 额定容量 | -80kPa 正压侧为200kPa |
|---|---|
| 非线性 | ±0.5%RO或以内 |
| 滞后 | ±0.5%RO或以内 |
| 额定输出 | 约-0.8mV/V(-1600×10-6应变量) |
环境特性
| 允许使用温度范围 | 0~80℃(无冻结现象) |
|---|---|
| 温度补偿范围 | 0~70℃(无冻结现象) |
| 零点温度影响 | ±0.05%RO/℃或以内 |
| 输出温度影响 | ±0.05%/℃或以内 |
电气特性
| 大激励电压 | 10V AC或DC |
|---|---|
| 输入电阻 | 350Ω±2% |
| 输出电阻 | 350Ω±2% |
| 电缆 | 0.5mm2,4芯屏蔽氯丁橡胶铠装线1m,外径9.6mm,前端裸线 (屏蔽线没有与主机连接) |
机械特性
| 安全过载 | 100% |
|---|---|
| 外装 | 全不锈钢质地(多孔磁性管,水平仪除外) |
| 重量 | 约3.5kg |
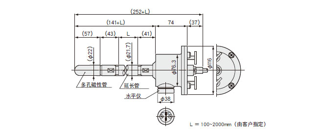
外形尺寸图

为了正确使用
本传感器中事先放入了脱气水,请千万不要长期放置。
建议购入后立即埋设。