KINAX N702一维倾角变送器
倾角变送器将倾角转换为直流信号,并于倾角对应成比例。平台的倾角值代表重要的测量数据,作为安全的一部分和该类机械的控制系统。
产品特点
• 坚固耐用的磁阻角位置变送器,可自由旋转不停止
• 带有油阻尼摆系统
• 传感器接触自由并可以在摆上最小磨损
• 测量范围,旋转方向和零点位置可在变送器上直接编程。
技术参数
• 测量原理: 磁阻角位置变送器,接触自由,自由旋转
• 测量范围: 0...360°,自由可编程
• 测量输出: 4...20mA带3线连接
• 电流消耗:< 80 mA
• 负载电阻:最大600Ω
• 精度:±0.2°
• 分辨率: 14比特
• 瞬时响应: 25°倾斜<1秒
• 电连接: 连接器M12x1,5极
• 摆杆阻尼: 带硅油
• 安装位置: 任意
• 材料: 外壳:涂铝
• 重量: 约300g
环境条件
• 温度范围:– 30 … +70 °C
• 湿度:相对湿度最大≤90%,无凝结
• 外壳保护:IP66符合EN60529
• 振动:IEC 60 068-2-6, 40 m/s 2 / 0 … 100 Hz
连接器M12的引脚配置

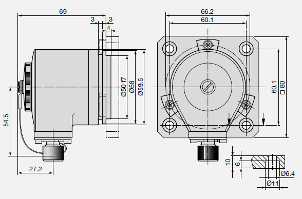
外形尺寸

技术参数
