角位变送器KINAX 3W2最大16N径向,轴向25N,紧凑型解决方案,没有任何磨损和维护成本。
KINAX 3W2角位置轴变送器可以安装。
将轴位置转换为负载无关直流信号,并与角轴位置对应成比例。
产品特点
• 紧凑型角位置变送器可以安装到其他设备
• 电容扫描系统在激活后立即提供**位置
• 没有磨损,低的年度维修费用以及在任何地点可安装
• 零点和测量范围可调
• 小启动转矩<0.001Ncm
• 小轴承运行影响<0.1%
• 可用防爆保护"本质安全"Ex ia IIC T6
• 可安装于危险区域
• 适用于远洋船舶符合GL标准
技术数据
• 测量范围:0 … 10°, 0 … 30°, 0 … 60°, 0 … 90°, 0 … 180°,0 … 270°
• 测量输出:0 … 1 mA, 0 … 5 mA, 0 … 10 mA, 0 … 20 mA,4 … 20 mA,每个带有3或4线连接,4...20mA带2线连接
• 供电电源: 12...33V DC(/非本质安全版本),12...30V DC(/本质安全版本)
• 输出电流剩余纹波:< 0.3% p.p.
• 剩余纹波最大: 10%p.p.(必须低于12V)
• 精度: 误差极限≤0.5%用于范围0...≤150°到0...270°,误差极限≤1.5%用于范围0...>150°
• 再重复性:< 0.2%
• 电连接: 焊片(保护等级IP00符合EN60529),带螺旋终端连接打印,带有AMP连接打印,带衬垫连接打印.带反式悠波二极管连接打印
测试范围
• 启动转矩: <0.001Ncm带2mm轴,<0.03Ncm带6mm轴分别1/4"
• 间隙影响:±0.1%
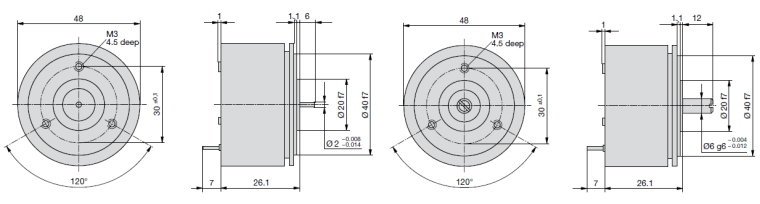
• 驱动轴直径: 2mm,6mm或1/4"
• 允许轴静态负荷:

• 安装位置: 任意
• 材料: 铬铝
• 轴:防锈硬化钢
• 重量: 约100g,约3.9kg(带附加齿轮)

环境条件及符合标准
• 气候等级:标准(Non-Ex):温度– 25 … +70 °C,相对湿度≤95%,不凝结。
• 带有改进气候等级(Non-Ex):温度– 40 … +70 °C,相对湿度≤95%,不凝结。
• 防爆保护:温度在T6– 40 … +55 °C,温度在T5– 40 … +70 °C,温度在T4– 40 … +75 °C
• 外壳保护:IP50符合EN60529标准
• 抖动:IEC 60 068-2-6, 50 m/s2 / 10 … 200 Hz(每2小时在3个方向内)
• 震动:IEC 60 068-2-27, ≤500 m/s2(每个轴和方向10个脉冲)
• 电磁适应性:标准适用于抗扰度EN61000-6-2和观察干扰发射EN61000-6-4
• 防爆保护:本质安全Ex II 2 G / Ex ia IIC T6 符合EN 60 079-0: 2006和EN 60 079-11: 2007
防爆保护数据(保护类型《本质安全》

辅助传输
使用**辅助传输设备KINAX WT707适用于多圈应用中。选择正确的齿轮转动比可以达到1600转。用户可以选择带有齿轮转速比从2:1到1600:1的辅助传输。
特殊的防海水设计
使用特殊防海水设计,KINAX WT707可以应用于极端的环境条件下。特殊的钢外壳使得KINAX WT707尤其适用于腐蚀性媒介中,例如,海水,碱液,酸液和清洁剂等。
文件记录

认证

外形尺寸

技术参数
