高频高压高精度分压器HST系列0-12KV可选,带宽高达300KHz,超高精度,适用于大功率电力电子设备的电压测量,可配合功率分析仪,示波器,数采等使用
非常适合中高压逆变器(变频器)、高压放电灯、等离子和超声波发生器的宽频带功率测量
产品性能特点:
高精度测量,可至20kV电压峰值
带宽范围:DC-300kHz
极小的相位误差,几平可以忽略
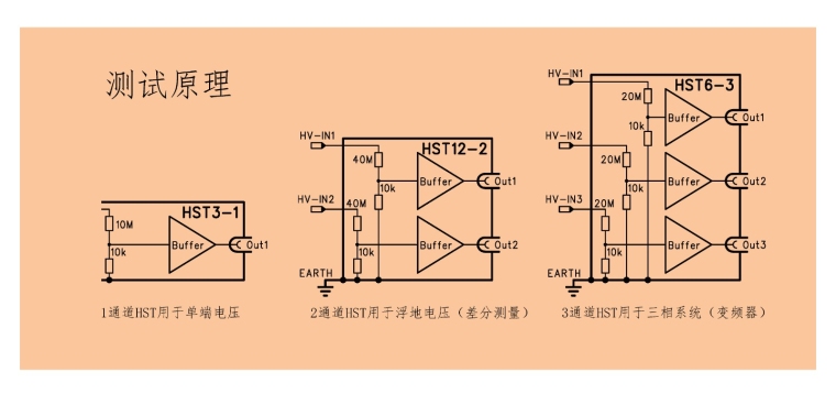
有1-,2-和3-通道三种规格
可以测量浮地信号
高精度高压分压器
为功率测量保驾护航
国际主流品牌的的功率分析仪电压输入范围基本都是1000V,HST系列宽频带高精度高压分压器可以扩宽LMG或其他品牌功率分析仪的电压测量范围。分压器的高压输入端标配2m引线,可以连接到被测电压(对地)上。用户自行完成引线与被测线的连接。HST3(或HST6/9/12)可以分压DC、AC甚至任意畸变电压,关键是能保证极高的精度范围,变比为1000(或2000/3000/4000)分压器二次侧电压通过低阻抗带保护的BNC接口输出。为避免噪声干扰,使用屏蔽线缆连接至功率分析仪的电压输入端。根据不同的测试任务,可以选择1-、2或3-通道的分压器。
单通道分压器HSTx-1用在单端系统中(例如超声波的应用)。对于浮地或差分电压测量(例如:放电灯或等离子发生器的应用),需要选择2通道的分压器HSTx-2。两个测量点之间的电势差可以通过测量分压器2个输出端之间的电势差的方式来确定。
3-通道分压器HSTx-3的典型应用是中高压的变频器测试和相关电压谐波的测量。
高压分压器不适合直接测量电网。
安全
为了保证测试安全,你必须将HST外壳的保护接地端连接到合适的接地点上。你必须保证接地导线具有合适的截面积,视可能的短路电流而定。电源线上的保护接地连接尺寸并不适合。请严格遵循以上安全提醒。
我们推荐使用高压保险丝,专门用于电压变压器保护,同时还推荐浪涌放电器。高压分压器不适合直接测量电网。因为雷击或开关操作可能会引起太高的瞬时过电压。将会超出官方允许承受的最大值。这会对人和设备产生损害。想了解更多应用和安全事宜,请咨询公司索取更多产品介绍。


技术参数
