HANDY-Tens-LWL 电子张力仪
电子张力仪, 电池供电, 适用于短时间测量.
手持式设计适用于测量低弹性材料测量.
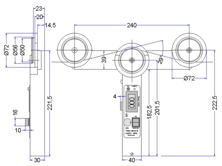
大直径导轮保护材料免受材料弯曲的损害.
直径从屏幕上读出测量值.
导入运行的材料非常简单
应用:用于测量光纤, 碳纤维等易受弯曲损害的材料的张力.
技术参数
| 型号 | HANDY-Tens-LWL |
| 额定量程 | Handy-Tens-LWL:0 - 1999 cN, 分辨率: 1 cN |
| Handy - Tens-LWL - C:0 – 100,0 N, s分辨率: 0,1 N | |
| 过载保护 | 500 % |
| 显示 | 数字液晶LCD 显示, 3 ½ 位, 10 mm高, 每秒显示三个测量数据 |
| 峰值显示 | 选项: 按住按钮时,只有峰值被显示出来. |
| 保持功能 | 按住按钮时,当前值被保持显示出来 |
| 材料导向 | Ø 50 mm轴承的3个V型低摩擦导轮 |
| 标定 | 工厂标定, 客户也可以在任何时间自己标定 |
| 测量误差 | < 1% 满量程 |
| 零点调整 | 通过旋钮方便调整过. |
| 阻尼 | 可以通过开关激活阻尼模式,应用于张力波动剧烈的测量中 。 |
| 供电电源 | 9 V电池, 型号 6LR61,操作时间约75 小时 |
| 电池控制 | 电池控制灯 |
| 外壳材质 | 铝合金 重: 500 克 |
| 发货内容 | 带有包装箱的Handy – Tens - LWL, 操作手册, 9V电池 |
| 其它可选配件 | 可充电9V电池, 充电器 |
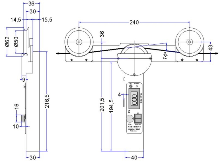
尺寸Handy-Tens-LWL-


3 种不同的导线路径可调整

1)特别适用于手持式测量.线材导入简单方便.
2)主需要把张力仪旋转的图1位置,即可实现测量.
3 )适用于张力仪固定在设备上进行测量.
4 )适用于固定安装在设备上测量.
被测材料线径变化对测量结果无影响