HPB系列 张力传感器
200kg...2000kg
Maximum capacity (Emax)额定载荷(kg):
200,500,1000,2000
HPB系列张力传感器,主要用于测量水平张力,采用一体化结构,具有动态响应快和稳定性高的特点,下枕式安装、结构简单、使用方便。广泛应用于复合、涂布、剪切、造纸、橡胶、纺织、电线、电缆及胶片等胶卷取控制设备和生产线上。
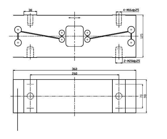
外形尺寸图:

接线图:

技术参数
| 型号 | HPB系列 | ||
Rated Load | 额定载荷 | kg | 200,500,1000,2000 |
Rated Output | 额定输出 | MV/V | 1 |
Zero balance | 零点平衡 | %R.O | ±1 |
Comprehensive Error | 综合误差 | %R.O | ±0.3 |
Nolinear | 非线性 | %R.O | ±0.3 |
Lag | 滞后 | %R.O | ±0.2 |
repeatability | 重复性 | %R.O | ±0.1 |
Temp. compensated | 正常工作温度范围 | ℃ | -10-+40 |
Safe temp. range | 允许工作温度范围 | ℃ | -20-+70 |
Temp.effect/10℃ on output | 温度对灵敏度影响 | %R.O./10℃ | 0.1 |
Temp.effect/10℃ on zero | 温度对零点影响 | %R.O./10℃ | 0.1 |
Rated excitation | 激励电压 | VDC | 5-12 |
Maximum excitation | 最大激励 | VDC | 15 |
Input impedance | 输入阻抗 | Ω | 410±10 |
Output impedance | 输出阻抗 | Ω | 350±3 |
Insulation resistance | 绝缘阻抗 | MΩ | >3000 |
Safe overload | 安全载荷 | %R.C. | 200 |
Ultimate overload | 极限载荷 | %R.C. | 300 |
Material | 材料 | alloy steel | |
Degree of protection | 保护等级 | IP66 | |
Cable length | 线长 | m | 5 |
Cable color code | 接线 | Red(+E) Black(-E) Green(+S) White(-S) | |