信号转换模块
信号转换模块配接扭矩转速传感器来使用,可以将信号和转速两路信号转为标准的电流4-20mA、电压0-5V0-10V或者RS485通讯信号。带清零按钮。
技术参数
基本参数 | |
| 仪表电源 | 12~30VDC, 最大耗电:2W |
脉冲输入信号 | 各种NPN、PNP、OC门输出的传感器信号、接近开关,旋转编码器 电源、输入、变送、通讯 之间全隔离。 |
| 变送输出 | 光电隔离或者2路4mA~20mA或0~5v或0~10V,(可选择绝对值输出,或中间点为零点,16位DA输出)。 变送输出精度0.1%F.S,输出分辨力1/65535,输出温度漂移小,在0-40度范围内总漂移低于0.1%f.s |
| 通讯功能 | 可选RS485通讯口,变送输出和通讯RS485口二者只能选其一,协议默认的为modbus rtu协议,需要ASCII 自定义协议订货时注明 |
测量频率 | 转速脉冲输入0.2Hz~20KHz 扭矩脉冲输入5KHz~15KHz,可扩展至1HZ~20KHZ |
| 可通过面板矫正传感器的非线性误差。带折线修正功能。 | |
| 测量速度(针对模拟量输出型模块,变送输出和测量同步) | 每秒30次,通过跳线可提速到每秒150次的快速测量(如果需要快速输出的请订货时注明,出厂内部短路为快速输出方式150次每秒,如果不做说明出厂为慢速方式30次每秒),对于通讯型模块测量速度默认为10次每秒,通过跳线提速后为50次每秒,如需要更快速度须订货时注明。 |
| 线长 | 信号转换模块至扭矩传感器线长5米,带航空插头,模块出来线1米,七芯裸线。 |
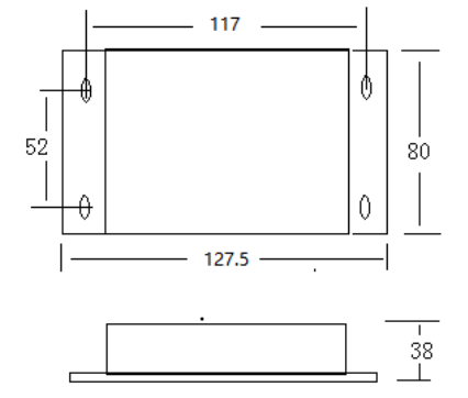
外形尺寸:

通讯说明:
数据格式为10位:1位起始位,8位数据位,无奇偶校验,1位停止位。
波特率:出厂默认为9600bps,可以通过两位短路点(bit1和bit0组成2位2进制数)选择,00为4800,01为9600,10 为19200,11为38400. 注:选择位短路为1,开路为0. 波特率选择在板子的正面标有”baud”的地方。
通讯地址:出厂默认为 01.
通讯地址可以通过4位短路点(bit3,bit2,bit1,bit0组成4位2进制,有的版本只有bit1和bit0)选择为:选为0000按显示面板设置的内部存储地址为准;选为0001将地址设为01;选为0010将地址设为02;选为0011将地址设为3;选为0100将地址设为4;选为0101将地址选为5,选为0110将地址设为6,选为0111将地址设为7;选为1000将地址设为8,…选为1111将地址设为15(即16进制的0xf)。 注:选择位短路为1,断开为0. 通讯地址选择在板子的背面标有”add”的地方。
通讯协议设置:可通过参数prot1 设置,
设置为0表示modbus rtu 通讯协议,
设为1表示modbus ASCII码协议。