HCNJ-101D双法兰扭矩传感器
HCNJ-101D端面双法兰扭矩传感器是在应变桥专有技术基础上研制开发的,专门用于测量扭矩、转速参数的传感器。本系列轴向安装扭矩传感器是我公司针对搅拌行业或其它特殊需要垂直安装或不方便底座固定的场合设计的,可以做成轴向端面单法兰或双法兰,可以是圆形法兰,也可以做成方形法兰,可定制法兰尺寸。
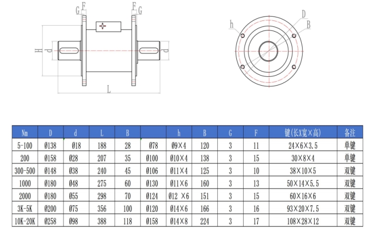
安装尺寸

注:其他量程均可做成此结构,如果需要图纸请跟销售人员索取!
产品特点
HCNJ-101D扭矩传感器既可以测量静止扭矩,也可以测量旋转扭矩,给用户带来极大的方便。
检测精度高、稳定性好、抗干扰性强;
体积小、重量轻、易于安装;
不需反复调零即可连续测量正反转扭矩;
没有集流环等磨损件,可以高转速长时间运行;
应变弹性体强度大,可承受150%载荷;
抗干扰性强,可任意位置,任意方向安装;
传感器部分可脱离二次仪表独立使用,直接与测量板卡、PLC或DCS组成扭矩测量装置
扭矩工作原理:

如上图所示,应变桥供电由设在传感器上的一组环形变压器,提供感应电压,经整流、稳压转换成高稳定性的直流电压。该电压既供给应变桥作为桥压,也供给其内部电路作为工作电压。应变桥检测的mV级扭矩信号被放大V级强信号,在经过V/F转换器变成正比的方波信号,并发射到外部的信号接受器上,在通过解调还原成与V/F转换出的方波同频率的数字信号,其相位差不大于1微妙,可以忽略不计。
转速工作原理:

码盘与旋转体集成一体,进行旋转。光电开关通过光电效应,做门电路处理,输出一个高低电平脉冲信号。脉冲信号比例于转速。实现了物理量转速到电信号的转化。
技术参数
产品名称 | 端面双法兰扭矩传感器 | ||
型号 | HCNJ-101D | 年稳定性 | 0.3%年 |
扭矩量程 | 5N.m、10N.m、15N.m、20N.m、30N.m、50N.m、100N.m、200N.m、300N.m、500N.m、1000N.m、2000N.m、3000N.m、5000N.m、10KN.m、20KN.m、30KN.m、50KN.m、60KN.m、100KN.m、200KN.m、300KN.m、500KN.m(可选) | 绝缘电阻 | ≥200MΩ(100VDC) |
供电电源 | 默认±15VDC(适用于频率信号输出) 可选24VDC、±12VDC(订货时提前说明) | 环境温度 | -20~60℃(可定制高温型120℃,低温型-40℃) |
扭矩信号 | 默认5-15KHZ(幅值12V,零点10KHZ,反向满量程5KHZ,正向满量程15KHZ) 可配信号转换模块将信号转为4-20mA、0-10V、0-5V、1-5V、1-10V、±5V、±10V或通讯RS485等信号 | 相对湿度 | 0~90%RH |
转速量程 | 0-1000转/分、0-2000转/分、0-3000转/分、0-6000转/分、0-8000转/分、高转速0-10000转/分、高转速0-12000转/分 | 过载能力 | 150% |
转速信号 | 默认60脉冲/转(无积累误差,幅值12V) 可配信号转换模块将信号转为4-20mA、0-10V、0-5V、1-5V、1-10V或通讯RS485等信号 | 频率响应 | 3ms |
精 度 | 默认±0.5%(±0.25%、±0.1%可选) | 引线长度 | 默认5米 |
接线定义

管脚编号 | 颜色 | 对应信号 (频率输出,±15VDC供电) | 对应信号 (频率输出,24VDC供电) | 电压/电流输出,24VDC供电 |
1 | 绿色 | 公共地 | 电源地 | 电源地 |
2 | 红色 | 电源正 | 电源正 | 电源正 |
3 | 蓝色 | 电源负 | 扭矩输出负 | 扭矩、转速公共地 (如不测速为扭矩输出负) |
4 | 白色 | 转速输出 | 转速输出正(如不测速为空) | 转速输出(如不测速为空) |
5 | 黄色 | 扭矩输出 | 扭矩输出正 | 扭矩输出 |
6 | 银色 | 屏蔽线 | 转速输出(如不测速为屏蔽线) | 屏蔽线 |
7 | 空 | 屏蔽线 | 空 |
注:非标产品或特殊要求的请按出厂的检测报告标定的接线定义为准!
产品搭配
1、可直接将扭矩频率信号传送给计算机或PLC进行处理。
2、可以配HN-201扭矩功率仪直接显示扭矩、转速、功率值,扭矩和转速两路变送4-20mA信号,带RS485通讯功能。
3、可以配XSY扭矩控制仪直接显示扭矩值,带上、下限两点报警,开关量信号(4-20mA/RS485可选)。
4、可配套F/I或F/V信号转换模块,可以将扭矩传感器原始的频率信号转换为标准的4-20mA电流或0-5V/0-10V/电压或RS485通讯等常用信号。
5、可选配我公司专业的M400数据采集软件,在电脑上采集数据,查看曲线,生成报表,存储、打印、回放等。

使用现场
