HCNJ-103微量程扭矩传感器
HCNJ-103微量程扭矩传感器主要应用于微量程(3N.m以下)扭矩的测量,HCNJ-103型扭矩传感器采取应变区和供电、发射区分开布置,使应变区避开轴承的影响,有效的改善和提高了扭矩传感器的抗过载能力及测量精度。HCNJ-103微量程扭矩传感器是HCNJ-101扭矩传感器的小量程方式,当量程小于3N.m时,传感器两端的支承轴承的磨擦力矩就成了不可忽略的干扰因素HCNJ-103扭矩传感器在结构上与HCNJ-101扭矩传感器的不同之处在于避免了轴承的磨擦力矩的干扰。
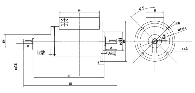
安装尺寸

带底座

带法兰
注:0.01Nm-3Nm量程尺寸一样。
产品特点
1、既可以测量静止扭矩,也可以测量旋转扭矩;
2、检测精度高、稳定性好、抗干扰性强;
3、体积小、重量轻、易于安装;
4、不需反复调零即可连续测量正反转扭矩;
5、没有集流环等磨损件,可以高转速长时间运行;
6、应变弹性体强度大,可承受120%载荷;
7、抗干扰性强,可任意位置,任意方向安装;
8、传感器部分可脱离二次仪表独立使用,直接与测量板卡、PLC或DCS组成扭矩测量装置。
扭矩工作原理:

如上图所示,应变桥供电由设在传感器上的一组环形变压器,提供感应电压,经整流、稳压转换成高稳定性的直流电压。该电压既供给应变桥作为桥压,也供给其内部电路作为工作电压。应变桥检测的mV级扭矩信号被放大V级强信号,在经过V/F转换器变成正比的方波信号,并发射到外部的信号接受器上,在通过解调还原成与V/F转换出的方波同频率的数字信号,其相位差不大于1微妙,可以忽略不计。
转速工作原理:

码盘与旋转体集成一体,进行旋转。光电开关通过光电效应,做门电路处理,输出一个高低电平脉冲信号。脉冲信号比例于转速。实现了物理量转速到电信号的转化。
技术参数
产品名称 | 微量程扭矩传感器 | ||
型号 | HCNJ-103 | 年稳定性 | 0.3%年 |
扭矩量程 | 0.01N.m、0.02N.m、0.03N.m、0.05N.m、1N.m、2N.m、3N.m(可选) | 绝缘电阻 | ≥200MΩ(100VDC) |
供电电源 | 默认±15VDC(适用于频率信号输出) 可选24VDC、±12VDC(订货时提前说明) | 环境温度 | -20~60℃(可定制高温型120℃,低温型-40℃) |
扭矩信号 | 默认5-15KHZ(幅值12V,零点10KHZ,反向满量程5KHZ,正向满量程15KHZ) 可配信号转换模块将信号转为4-20mA、0-10V、0-5V、1-5V、1-10V、±5V、±10V或通讯RS485等信号 | 相对湿度 | 0~90%RH |
转速量程 | 0-1000转/分、0-2000转/分、0-3000转/分、0-6000转/分、0-8000转/分、高转速0-10000转/分、高转速0-12000转/分 | 过载能力 | 120% |
转速信号 | 默认60脉冲/转(无积累误差,幅值12V) 可配信号转换模块将信号转为4-20mA、0-10V、0-5V、1-5V、1-10V或通讯RS485等信号 | 频率响应 | 3ms |
精 度 | 默认±0.5%(±0.25%、±0.1%可选) | 引线长度 | 默认5米 |
安装示意图及安装方法

扭矩传感器的安装方法:
1、HCNJ-103扭矩传感器分a、b端,a端为辅助端,b端为测量端,b端通过联轴器与被测设备相连接,安装时一定要避免附加弯矩,并限制测量时的过载量(过载量≤120%)。
2、测量传感器的轴径和中心高,待装。
3、使用两组联轴器或法兰,将传感器安装在动力设备与负载之间。
4、分别调整动力设备、负载、传感器的中心高和同轴度,要求小于0.01mm,然后将其固定,并紧固可靠,不允许有松动,使用小量程或高转速传感器时,要严格保证连接的中心高和同轴度,否则可能造成测量误差及传感器的损坏。
5、连接时可选用刚性或弹性联轴器,在振动较大或同轴度无法保证安装要求时(大于0.05mm,小于0.02mm),建议使用饶性、弹性或万向节联轴器,并在传感器底座与支撑架之间建议加10mm左右的橡胶垫,以减轻传感器安装不同心时对传感器的损坏。
6、动力源及负载设备必须固定可靠避免振动,传感器的支撑底座必须有一定的强度,以保证安装的稳定性,避免造成过大的振动,否则可能造成测量数据造成不稳定,影响测量精度。
7、联轴器应紧靠传感器两端的轴肩。传感器为精密测量仪器,安装使用中严禁撞击、敲打等剧烈冲击行为。
8、传感器使用时推荐采用水平安装,进行其它角度的安装时,请慎重安装。传感器不允许随过大的轴向或弯矩,否则可能影响传感器的使用,甚至造成传感器的损坏。
使用注意:
1、接线必须正确
2、±15V的范围,不得低于±14.5V,不得高于±15.5V
3、信号输出不得对地,对电源短路,输出电流不大于10mA
4、屏蔽电缆线的屏蔽层必须与±15V电源的公共端(电源地)连接
5、微量程扭矩传感器的弹性体非常精小,严格限制过载≤20%,过载范围,否则极易损坏。
6、使用中如有疑问请及时与本公司联系,保修期之内不得自行拆卸。
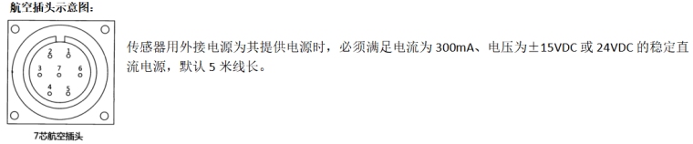
接线定义

管脚编号 | 颜色 | 对应信号 (频率输出,±15VDC供电) | 对应信号 (频率输出,24VDC供电) | 电压/电流输出,24VDC供电 |
1 | 绿色 | 公共地 | 电源地 | 电源地 |
2 | 红色 | 电源正 | 电源正 | 电源正 |
3 | 蓝色 | 电源负 | 扭矩输出负 | 扭矩、转速公共地 (如不测速为扭矩输出负) |
4 | 白色 | 转速输出 | 转速输出正(如不测速为空) | 转速输出(如不测速为空) |
5 | 黄色 | 扭矩输出 | 扭矩输出正 | 扭矩输出 |
6 | 银色 | 屏蔽线 | 转速输出(如不测速为屏蔽线) | 屏蔽线 |
7 | 空 | 屏蔽线 | 空 |
注:非标产品或特殊要求的请按出厂的检测报告标定的接线定义为准!
产品搭配
1、可直接将扭矩频率信号传送给计算机或PLC进行处理。
2、可以配HN-201扭矩功率仪直接显示扭矩、转速、功率值,扭矩和转速两路变送4-20mA信号,带RS485通讯功能。
3、可以配XSY扭矩控制仪直接显示扭矩值,带上、下限两点报警,开关量信号(4-20mA/RS485可选)。
4、可配套F/I或F/V信号转换模块,可以将扭矩传感器原始的频率信号转换为标准的4-20mA电流或0-5V/0-10V/电压或RS485通讯等常用信号。
5、可选配我公司专业的M400数据采集软件,在电脑上采集数据,查看曲线,生成报表,存储、打印、回放等。

使用现场

扭矩传感器的应用领域:
扭矩传感器可检测电动机、内燃机、绕包机等旋转动力设备,输出扭矩及功率;
检测电动机、风力、泵、搅拌机、减速器、变速器、卷扬机、螺旋桨、钻探机械等设备的负载扭矩及输入功率;
检测各种机械加工中心、自动机床的工作过程中的扭矩;
检测各种旋转动力设备系统所传递的扭矩及效率;
检测扭矩的同时可以检测转速、轴动力;
可用于制造粘度计、电动、气动、液力扭力扳手; 可用于拧紧机扭矩的检测;
用于教学设备 。