一、产品介绍
光伏充电桩新能源定制无功补偿控制器作为低压电容补偿的控制核心,能很好地改善由于非线性、不对称及冲击性负载的大量存在而造成对电力配电网电能质量恶化的严重影响;以通过对无功功率的自动补偿而达到使控制区域内的配电功率因数符合国家标准的目的,从而提高电网的电能质量和输电能力。并为电力用户降低和消除无功损耗而大大降低用电成本。
产品选用目前先xian进的微处理器、集成电路和国内外专业厂家生产的优质元器件,高强度阻燃工程塑料外壳。具有结构简洁集成度高、高精度、高可靠性和超chao强抗干扰能力以及外形美观体积小等优点。
二、光伏充电桩新能源定制无功补偿控制器功能特性
1. 支持光伏并网四象限控制。
2. 全面支持光伏并网点位于变压器侧或负载侧
3. 具有电压、电流接线极性自动判断修正功能。
4. 支持无电流信号时参数设置和测试继电器。
5. 能动态显示配电系统实时功率因数,电网的过补偿和欠补偿均能自动监测、处理。
6. 有过电压监测、显示、保护功能,在过电压保护设定时快速切除补偿电容,以保护电容器组的使用安全。过电压保护设定值用户也可根据情况自行选择调整。
7. 有欠流监测、显示、锁定功能,以防止电容器投切振荡。
8. 独立输出单元 1~12 路可选,互不影响。
9. 可直接观测电压、电流谐波值,对谐波有抗干扰能力,在有谐波的环境下能正常补偿无功功率。
10. 可以支持变压器高采低补(订货需标注)和空载直补(区别于普通的变压器空载补偿需要高采低补;本产品则不要需要高压侧采集信号即可直接补偿变压器空载,无需高压侧互感器参与)。
11. 支持功率因数控制模式和无功功率控制模式。
12. 支持谐波电流智能保护(根据谐波电流值大小自动延长或缩短电容工作时间,避免电容过热或者热继电器动作)
13. 电容参数免设置,自动检测电容容量,电容容值衰减自动感知,智能调整投切最jia佳电容组合。
14. 支持电抗器输出控制,补偿光伏逆变器和充电桩的待机容性无功。
三、技术参数
1. 基本参数
额定工作电压 Ue: AC380V、AC220V、AC100V 可选
输入电流 Ie:≦5A
外壳防护等级:IP40
2.显示方式:三位 LED 数码管显示。
四、外形尺寸和开孔尺寸

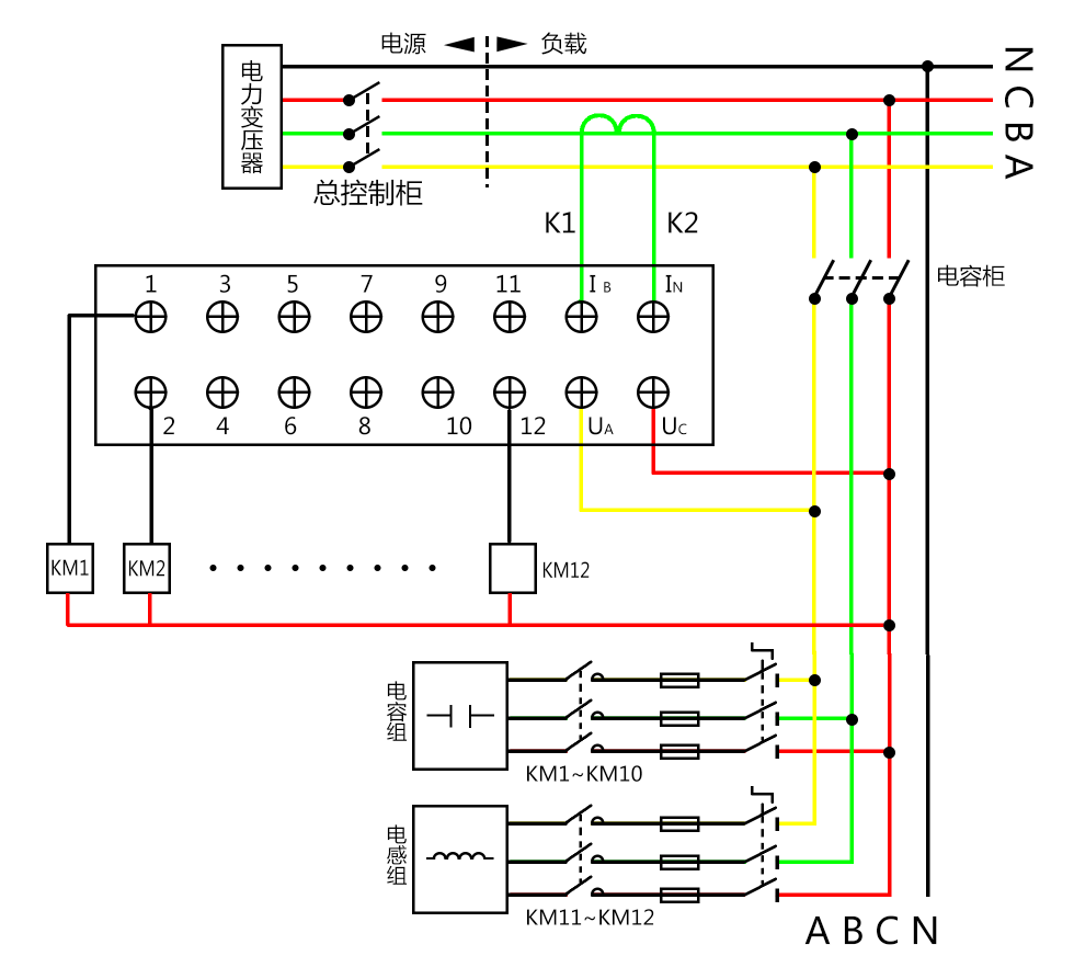
五、接线图

六、现场应用
